domov > Izdelki > Oreh > Okrogla matica > Natančna okrogla matica z zarezo
        Natančna okrogla matica z zarezo
        • Natančna okrogla matica z zarezoNatančna okrogla matica z zarezo
        • Natančna okrogla matica z zarezoNatančna okrogla matica z zarezo
        • Natančna okrogla matica z zarezoNatančna okrogla matica z zarezo
        • Natančna okrogla matica z zarezoNatančna okrogla matica z zarezo
        • Natančna okrogla matica z zarezoNatančna okrogla matica z zarezo

        Natančna okrogla matica z zarezo

        Zaklepna okrogla matica z natančnimi zarezami je prednostna pritrdilna rešitev, ki so jo določili inženirji za aplikacije, kjer je varnost najpomembnejša in ni mogoče tolerirati popuščanja zaradi vibracij. Za zanesljivega partnerja v industriji pritrdilnih elementov, ki daje prednost kakovosti in storitvam, strokovnjaki po vsem svetu zaupajo tovarni Xiaoguo®.

        Pošlji povpraševanje

        Opis izdelka

        Za ohišja elektronskih naprav in strežniških stojal lahko te perforirane zaklepne okrogle matice z zarezami in zarezami natančno pritrdijo plošče in komponente, ki potrebujejo vzdrževanje. Lahko jih ponovno uporabite in se ne bodo zrahljale zaradi vibracij. Njihova okrogla in nizkoprofilna zasnova pomeni, da se ne bodo z ničemer zapletli.

        Za elektronsko industrijo so naše cene zelo konkurenčne. Naročila nad 5000 $ lahko uživajo brezplačno dostavo. Običajno raje uporabimo neprevodni črni premaz. Hitro opravimo dostavo blaga preko regionalnih centrov.

        Ti oreščki so vloženi v antistatične varne vrečke, ki jih je mogoče ponovno zapreti, da jih zaščitite. Pred odpremo preverimo njihovo velikost in debelino nanosa.

        Podrobnosti izdelka

        V železniški industriji so te zaskočne okrogle matice z zarezami z natančnostjo velikega pomena za podstavne vozičke in sisteme za pritrditev tirov. Prenesti mora močne vibracije in ponavljajoče se obremenitve ter izpolnjevati zahteve glede trdnosti za dolgotrajno uporabo. Te matice so izdelane v skladu s strogimi standardi, njihove natančne dimenzije rež pa so zasnovane tako, da omogočajo varno ožičenje.

        Nudimo konkurenčne cene za vladna in železniška naročila ter popuste za velike nakupe. Običajno so obdelani s črnim oksidom. Tesno sodelujemo s profesionalnimi logističnimi ekipami, da ne le zagotovimo pravočasno dostavo blaga, ampak tudi podpiramo sledenje celotne logistične verige v realnem času.

        Prestal je certificiranje mednarodnih standardov železniške industrije IRIS. Vsako serijo izdelkov je mogoče v celoti izslediti, kakovost pa ima jasno osnovo.

        Protikorozijska obdelava

        Nudimo različne površinske obdelave za naše izdelke z zapornimi okroglimi maticami z zarezo in zarezami, vključno s cinkanjem, vročim cinkanjem in prevleko z geometrijo. Te obdelave bistveno povečajo odpornost proti koroziji vsake zaporne okrogle matice z zarezami z natančnimi zarezami, kar podaljša njeno življenjsko dobo v zahtevnih okoljih. Ustrezna prevleka za vašo zaskočno okroglo matico z zarezami z natančnostjo je odvisna od vaših posebnih delovnih pogojev.


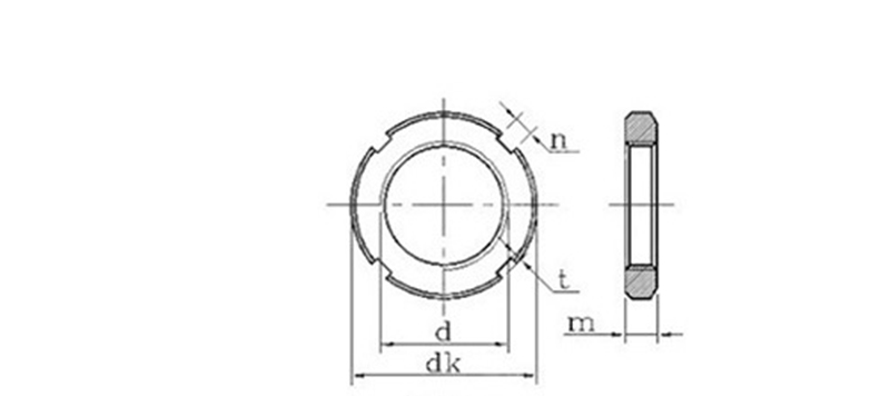
        Precision Notched Slotted Locking Round Nut



        d*P
        dk m n t 1000

        kg

        d*P
        dk m n t 1000

        ≈kg
        nax nin maks min maks min nax min
        M10*1 22 8 4.3 4 2.6 2 16.82 M64*2 95 12 8.36 8 4.25 3.5 351.9
        M12*1,25 25 21.58 M65*2 95 342.4
        M14*1,5 28 26.82 M68*2 100 10.36 10 4.75 4 380.2
        M16*1,5 30 5.3 5 3.1 2.5 28.44 M72*2 105 15 518
        M18*1,5 32 31.19 M75*2 105 477.5
        M20*1,5 35 37.31 M76*2 110 562.4
        M22*1,5 38 10 54.91 M80*2 115 608.4
        M24*1,5 42 68.88 M85*2 120 640.6
        M25*1,5 42 68.88 M90*2 125 18 12.43 12 5.75 5 796.1
        M27*1,5 45 75.49 M95*2 130 834.7
        M30*1,5 48 82.11 M100*2 135 873.3
        M33*1,5 52 6.3 6 3.6 3 93.32 M105*2 140 895
        M35*1,5 52 84.99 M110*2 150 14.43 14 6.75 6 1076
        M36*1,5 55 100.3 115*2 155 22 1369
        M39*1,5 58 107.3 M120*2 160 1423
        M40*1,5 58 109.5 M125*2 165 1477
        M42*1,5 62 121.8 M130*2 170 1531
        M45*1,5 68 153.6 M140*2 180 26 1937
        M48*1,5 72 12 8.36 8 4.25 3.5 201.2 M150*2 200 16.43 16 7.9 7 2651
        M50*1,5 72 186.8 M160*3 210 2810
        M52*1,5 78 238 M170*3 220 2970
        M55*2 78 214.4 M180*3 230 30 3610
        M56*2 85 290.1 190*3 240 3794
        M60*2 90 320.3 M200*3 250 3978

        Hot Tags: Natančna okrogla matica z zarezo
        Povezana kategorija
        Pošlji povpraševanje
        Prosimo, oddajte svoje povpraševanje v spodnjem obrazcu. Odgovorili vam bomo v 24 urah.
        X
        Piškotke uporabljamo, da vam ponudimo boljšo izkušnjo brskanja, analiziramo promet na spletnem mestu in prilagodimo vsebino. Z uporabo te strani se strinjate z našo uporabo piškotkov. Politika zasebnosti
        Zavrni Sprejmi