domov > Izdelki > Oreh > Okrogla matica > Matica DIN 981
        Matica DIN 981
        • Matica DIN 981Matica DIN 981
        • Matica DIN 981Matica DIN 981

        Matica DIN 981

        Kitajski dobavitelj Xiaoguo® zagotavlja matico DIN 981, ki ima krožno obliko. Med delovanjem naredi celotno strukturo bolj kompaktno, prihrani več prostora in je primeren za natančno opremo s posebnimi zahtevami glede prostora za namestitev. Nakup matice DIN 981 vam bo koristil v mnogih pogledih.

        Pošlji povpraševanje

        Opis izdelka

        Temeljne prednosti

        Glavna prednost matice DIN 981 je v njihovi zasnovi, ki je posebej prilagojena za natančno pritrditev kotalnih ležajev na gredi. Njihov edinstven dizajn je pokazal prednosti v smislu natančnosti, zanesljivosti, priročnosti in nosilnosti.

        (1)Načela oblikovanja in strokovnost

        Zasnova matice DIN 981 se strogo drži ekskluzivnih standardov, kar zagotavlja natančno združljivost z kotalnimi ležaji.

        Prepoznavna zasnova utorov in drobnih zob:

        Reža proti zrahljanju: Enakomerno razporejene reže na zunanjem krogu matice. Med uporabo ga je treba namestiti in razstaviti skupaj z ustreznim ključem v obliki kljuke ali posebnim orodjem.

        Natančen fini navoj: z uporabo zasnove s finim navojem ne ponuja le boljšega samozaklepanja, temveč omogoča tudi natančnejšo prilagoditev aksialnega premika.

        (2)Osnovne prednosti uporabe

        Visoko natančni standardi izdelave: Kot standardni pritrdilni elementi imajo ključne dimenzije, kot sta natančnost navoja in odtekanje čelne strani teh komponent, stroge zahteve glede tolerance.

        Namestitev in vzdrževanje sta preprosta: z uporabo standardnih orodij v obliki kljuke ta oblika omogoča prilagodljivo delovanje tudi v omejenih prostorih za namestitev.

        (3)Široka prilagodljivost izdelka

        Bogate možnosti materialov: Za prilagoditev različnim okoljem so na voljo različne izbire materialov, kot je ogljikovo jeklo visoke trdnosti, nerjavno jeklo A2/A4 (304/316) itd.

        Različne površinske obdelave: S površinskimi obdelavami, kot so galvanizacija, črnjenje in daktron, je mogoče povečati odpornost proti koroziji, zaradi česar je primeren za težke pogoje, kot sta vlaga in slana megla.

        DIN 981 Nut

        Kako podaljšati življenjsko dobo

        Za podaljšanje življenjske dobe matic DIN 981 lahko osrednjo idejo povzamemo kot: natančna izbira, standardizirana namestitev in redno vzdrževanje. Tukaj je nekaj ključnih praktičnih metod:

        (1)natančna izbira

        Izberite površinsko obdelavo glede na okolje: trajanje preskusa s slanim pršenjem za premaz Dacromet lahko preseže 2000 ur, kar je štirikrat več kot pri tradicionalnem galvaniziranju.

        Izberite material glede na delovno okolje: Za pogoje visokofrekvenčnih vibracij je treba izbrati legirano jeklo višjega razreda (kot je razred 8 glede na trdnost); za običajne obremenitve zadostuje standardno ogljikovo jeklo.

        (2)standardizirana namestitev

        Uporabite pravilno orodje: Prepričajte se, da uporabljate standardni polmesečasti ključ in zagotovite, da se njegova velikost popolnoma ujema z režo matice.

        Obvladajte zaporedje namestitve: Najprej ročno zavrtite matico v nekaj polnih obratih. Nato ga z orodjem zategnite v predpisanem vrstnem redu (na primer simetrično korak za korakom).

        Ohranjajte čisto okolje: Pred namestitvijo se prepričajte, da so navoji in kontaktne površine čisti in brez tujih snovi.

        (3)redno vzdrževanje

        Pravilno mazanje: Na navojne površine redno nanašajte ustrezno količino mazalne masti, ki lahko zmanjša trenje, prepreči obrabo in zagozdenje.

        Redni pregled: Priporočljivo je, da izdelek preverite navor vsakih 3 do 6 mesecev. Istočasno vizualno preverite, ali so navoji nepoškodovani, in preverite, ali so matice razpokane, obrabljene ali znake korozije.

        Redno posodabljajte pomožne dele: Po vsaki demontaži je treba zamenjati nov zaporni obroč.

        DIN 981 Nut

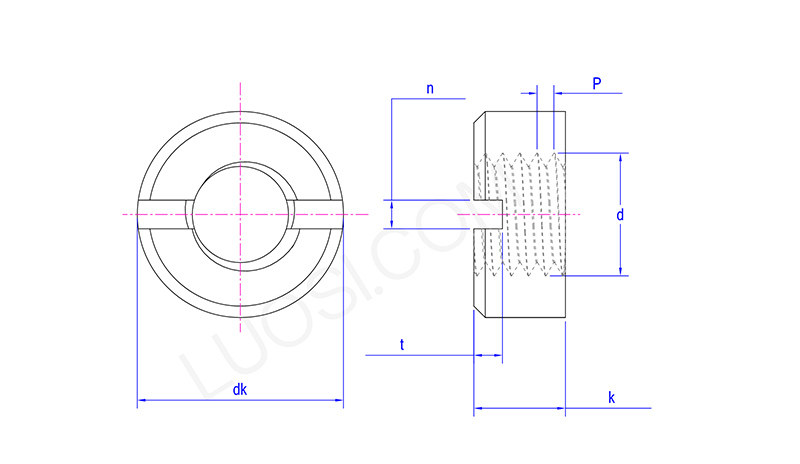
        pon M3.5 M4 M5 M6 M8 M10 M12 M14 M16 M18 M20
        P 0.6 0.7 0.8 1 1.25 1.5 1.75 2 2 2.5 2.5
        dk maks 7 8 9 11 14 18 21 24 26 29 32
        dk min 6.64 7.64 8.64 10.57 13.57 17.57 20.48 23.48 25.48 28.48 31.38
        k maks 3 3.5 4.2 5 6.5 8 10 11 12 13 14
        k min 2.75 3.2 3.9 4.7 6.14 7.64 9.64 10.57 11.57 12.57 13.57
        n min 1.46 1.46 2.06 2.56 3.06 3.57 4.07 4.07 4.07 4.07 5.07
        n maks 1.71 1.71 2.31 2.81 3.31 3.87 4.37 4.37 4.37 4.37 5.37
        t min 1 1.2 15 2 2.5 3.2 3.8 3.8 3.8 4.8 4.8
        t maks 1.40 1.60 1.90 2.4 3 3.7 4.3 4.3 4.3 5.5 5.5
        Hot Tags: Matica DIN 981, Kitajska, proizvajalec, dobavitelj, tovarna
        Povezana kategorija
        Pošlji povpraševanje
        Prosimo, oddajte svoje povpraševanje v spodnjem obrazcu. Odgovorili vam bomo v 24 urah.
        X
        Piškotke uporabljamo, da vam ponudimo boljšo izkušnjo brskanja, analiziramo promet na spletnem mestu in prilagodimo vsebino. Z uporabo te strani se strinjate z našo uporabo piškotkov. Politika zasebnosti
        Zavrni Sprejmi