domov > Izdelki > Oreh > Okrogla matica > Matica DIN 1804
        Matica DIN 1804
        • Matica DIN 1804Matica DIN 1804
        • Matica DIN 1804Matica DIN 1804

        Matica DIN 1804

        Kitajski dobavitelj in proizvajalec Xiaoguo® je specializiran za matico DIN 1804, ki jo je mogoče ponovno uporabiti. Izdelek nudi visoko stroškovno učinkovitost in lahko dolgoročno učinkovito zmanjša stroške vzdrževanja. Z nakupom matice Bulk DIN 1804 boste dosegli ugodnejšo ceno.

        Pošlji povpraševanje

        Opis izdelka

        Orodja za namestitev

        Čeprav ima matica DIN 1804 preprosto strukturo, je pravilna namestitev ključ do zagotavljanja njene učinkovitosti zaklepanja.

        (1)Osnovno orodje: kljukasti ključ (uporabiti ga je treba), skupni standard je DIN 1810.

        Obstajajo različne oblike:

        1) Fiksni tip z dvignjenim nosom: v skladu s standardom DIN 1810 je najpogosteje uporabljena standardna možnost.

        2)Zgibni/nastavljiv tip: eno orodje pokriva več specifikacij, primerno za situacije s spremenljivimi delovnimi pogoji.

        3)Vrsta kompleta: kot je 8-delni komplet, ki vsebuje različne specifikacije, kar omogoča centralizirano upravljanje in uporabo.

        (2)Pomožna orodja: Momentni ključ: Da bi zagotovili natančen nadzor sile zaklepanja, je veliko kaveljskih ključev zasnovanih s kvadratnimi jezički, ki jih je mogoče povezati z momentnimi ključi. (3)Pripomočki proti zrahljanju: Za dosego učinka proti popuščanju je treba matico povezati z ustrezno napravo proti popuščanju, kot je zaporna podložka ali lepilo za zaklepanje navojev.

        DIN 1804 Nut

        Namestitveni koraki

        (1)Priprava pred namestitvijo

        Potrdite specifikacije: Zagotovite, da je specifikacija navoja matice DIN 1804 skladna z navojem gredi.

        Pregled čiščenja: Temeljito očistite gred, navoje matice in spojne površine ključev ter preverite morebitne neravnine ali poškodbe.

        Preverite nosilno površino: Med montažo mora biti stran matice s fino obdelano površino obrnjena proti ležaju ali čelni strani obdelovanca.

        (2)Začetno zategovanje

        Ročno vstavljanje: matico vnaprej poravnajte s koncem gredi in jo nato ročno vstavite za 2 do 3 obrate.

        (3)Naprava proti popuščanju

        Namestite blokirno podložko v skladu s shemo proti popuščanju (notranji jezik mora biti poravnan z utorom za ključ na gredi) ali nanesite lepilo za varovanje navojev.

        (4)Končno zategovanje

        Previdno vstavite štrleči del kljukastega ključa v utor matice (upoštevajte, da ima matica od specifikacije M45x1,5 6 utorov, zato morate silo uporabiti bolj enakomerno)

        (5)Zaklepanje in potrditev

        Uporaba mehanskega protirahljanja (blokirni obroč): Ko zategnete matico, upognite zunanji jezik obroča in ga vstavite v katero koli režo matice, da dosežete mehansko zaklepanje.

        Uporabite kemično sredstvo proti zrahljanju (lepilo za varovanje navojev): nanesite ga po čiščenju navojev in pred zategovanjem ter počakajte, da se strdi.

        Končni pregled: Z momentnim ključem ponovno preverite navor.

        DIN 1804 Nut

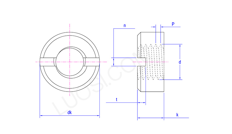
        pon M3.5 M4 M5 M6 M8 M10 M12 M14 M16 M18 M20
        P 0.6 0.7 0.8 1 1.25 1.5 1.75 2 2 2.5 2.5
        dk maks 7 8 9 11 14 18 21 24 26 29 32
        dk min 6.64 7.64 8.64 10.57 13.57 17.57 20.48 23.48 25.48 28.48 31.38
        k maks 3 3.5 4.2 5 6.5 8 10 11 12 13 14
        k min 2.75 3.2 3.9 4.7 6.14 7.64 9.64 10.57 11.57 12.57 13.57
        n min 1.46 1.46 2.06 2.56 3.06 3.57 4.07 4.07 4.07 4.07 5.07
        n maks 1.71 1.71 2.31 2.81 3.31 3.87 4.37 4.37 4.37 4.37 5.37
        t min 1 1.2 15 2 2.5 3.2 3.8 3.8 3.8 4.8 4.8
        t maks 1.40 1.60 1.90 2.4 3 3.7 4.3 4.3 4.3 5.5 5.5

        Navodila za namestitev

        (1)Ne zamenjujte nosilnih površin: Zagotovite, da je fino obdelana površina d3 v tesnem stiku, pri čemer je hrapava površina obrnjena v smeri delovanja orodja.

        (2)Vrednost navora je ključnega pomena: previsok navor lahko poškoduje navoje ali povzroči deformacijo gredi; nezadostno visok navor povzroči nezadostno silo predzategovanja, zaradi česar je matica DIN 1804 nagnjena k popuščanju.

        (3)Pravilna uporaba orodja: Prepričajte se, da se velikost nasadnega ključa natančno ujema z zunanjim premerom matice, da ne poškodujete reže.

        (4)Upoštevati je treba silo prednapetosti: Ko se uporablja za prednapetost ležaja, je treba natančno nastaviti silo prednapetosti s profesionalnimi metodami.

        (5)Redni pregled: Med začetnim delovanjem opreme ali po večjih popravilih je treba redno preverjati stanje zaklepanja matic, da preprečite popuščanje.

        Hot Tags: Matica DIN 1804, Kitajska, proizvajalec, dobavitelj, tovarna
        Povezana kategorija
        Pošlji povpraševanje
        Prosimo, oddajte svoje povpraševanje v spodnjem obrazcu. Odgovorili vam bomo v 24 urah.
        X
        Piškotke uporabljamo, da vam ponudimo boljšo izkušnjo brskanja, analiziramo promet na spletnem mestu in prilagodimo vsebino. Z uporabo te strani se strinjate z našo uporabo piškotkov. Politika zasebnosti
        Zavrni Sprejmi