domov > Izdelki > Oreh > Okrogla matica > Matica GB 812
        Matica GB 812
        • Matica GB 812Matica GB 812
        • Matica GB 812Matica GB 812

        Matica GB 812

        Xiaoguo® je kitajski dobavitelj matice GB 812, ki se ponaša z odlično trdnostjo in vzdržljivostjo. Izdelek sam zdrži izjemno velike obremenitve in deluje po svojih najboljših močeh, pri dolgotrajni uporabi pa se verjetno ne bo deformiral. Poskusite izbrati napredno matico GB 812. Zagotovo boste prijetno presenečeni!

        Pošlji povpraševanje

        Opis izdelka

        Elementi tovarniškega pregleda

        Da bi zagotovili zanesljivost proizvedenih matic, bomo strogo izvajali teste v skladu s standardom za matice GB 812. Preizkusi bodo osredotočeni na štiri ključne vidike: velikost, zmogljivost, material in videz.

        (1)Preverjanje dimenzij in točnosti

        Merjenje dimenzij oblike: Izmerite zunanji premer, notranji premer in skupno višino matice. Izmerjene vrednosti ne smejo presegati tolerančnega območja, zato je treba za zapisnik narediti fotografije.

        Pregled velikosti utora: Preverite širino, globino in premer utora ali zareze, da zagotovite dobro prileganje uporabljenemu orodju.

        (2)Preverjanje točnosti niti

        Pregled premera navoja: Preskus se izvede z uporabo "merila navoja (GO)" in "merila za zaustavitev (NO-GO)". Kvalificirani standard je naslednji: merilo navoja mora biti mogoče gladko in popolnoma vstaviti, medtem ko je merilo za prislon lahko vstavljeno za največ 2 obrata.

        Merjenje parametrov navoja: Z natančnimi instrumenti se nadalje meri srednji premer, odstopanje koraka in kot vijačnice navoja.

        GB 812 Nut

        (3)Testiranje mehanskega delovanja

        Preskus trdote: Uporabite merilnik trdote Rockwell (HRC), Brinell (HBW) ali Vickers (HV) za merjenje trdote na čelni strani ali strani matice GB 812.

        Drugi preskusi učinkovitosti: Glede na zahteve uporabe se lahko izvedejo tudi dodatni preskusi, kot so natezna trdnost, udarna žilavost in življenjska doba ob utrujenosti, da se izčrpno oceni njegove mehanske lastnosti.

        (4)Kakovost površine in pregled materiala

        Analiza sestave materiala: z metodami, kot je spektroskopska analiza, je bil preverjen material matice.

        Pregled površinske obdelave:

        Videz in napake: Preglejte pri dobri svetlobi z vizualnim pregledom ali povečevalnim steklom. Ne smejo biti razpoke, robovi, gube, rja itd., ki lahko vplivajo na trdnost.

        Kakovost prevleke: če je bil izdelek obdelan, kot je galvanizacija, črnjenje ali nanos Dacromet, je treba preizkusiti debelino prevleke (z merilnikom debeline), adhezijo (kot je preskus s praskami) in odpornost proti koroziji (preizkus s solnim pršenjem).

        GB 812 Nut

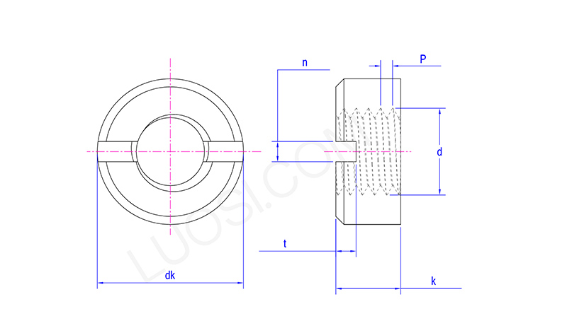
        pon M3.5 M4 M5 M6 M8 M10 M12 M14 M16 M18 M20
        P 0.6 0.7 0.8 1 1.25 1.5 1.75 2 2 2.5 2.5
        dk maks 7 8 9 11 14 18 21 24 26 29 32
        dk min 6.64 7.64 8.64 10.57 13.57 17.57 20.48 23.48 25.48 28.48 31.38
        k maks 3 3.5 4.2 5 6.5 8 10 11 12 13 14
        k min 2.75 3.2 3.9 4.7 6.14 7.64 9.64 10.57 11.57 12.57 13.57
        n min 1.46 1.46 2.06 2.56 3.06 3.57 4.07 4.07 4.07 4.07 5.07
        n maks 1.71 1.71 2.31 2.81 3.31 3.87 4.37 4.37 4.37 4.37 5.37
        t min 1 1.2 15 2 2.5 3.2 3.8 3.8 3.8 4.8 4.8
        t maks 1.40 1.60 1.90 2.4 3 3.7 4.3 4.3 4.3 5.5 5.5

        Pakiranje

        Za tovarniško pakiranje matice GB 812 bomo sledili standardu GB/T 90.2. Ključne zahteve so, da so etikete izdelkov popolne, embalaža čvrsta in odporna na vplive okolja med transportom in skladiščenjem.

        (1)Obdelava proti rji: Izdelke brez premaza je treba premazati s sredstvom proti rji.

        (2)Oblika pakiranja: več plastičnih škatel/vreč, vrečke/folija proti rjavenju. Zunanja embalaža je običajno izdelana iz tkanih vrečk, kartonskih škatel ali lesenih škatel (za posebne zahteve, kot je izvoz, se lahko uporabi embalaža po meri)

        (3)Moč embalaže: v skladu z znanstvenimi, trdnimi in ekonomičnimi načeli, preprečuje poškodbe med transportom (določene podrobnosti bomo določili z vami)

        (4)Vsebina etikete: proizvajalec, ime izdelka, standardna oznaka, količina/neto teža, datum izdelave, oznaka kakovosti itd.

        (5)Format nalepke: Brez omejitev (sprejemljivo je tiskanje/vtiskovanje/privezovanje/lepljenje)

        Hot Tags: Matica GB 812, Kitajska, proizvajalec, dobavitelj, tovarna
        Povezana kategorija
        Pošlji povpraševanje
        Prosimo, oddajte svoje povpraševanje v spodnjem obrazcu. Odgovorili vam bomo v 24 urah.
        X
        Piškotke uporabljamo, da vam ponudimo boljšo izkušnjo brskanja, analiziramo promet na spletnem mestu in prilagodimo vsebino. Z uporabo te strani se strinjate z našo uporabo piškotkov. Politika zasebnosti
        Zavrni Sprejmi