domov > Izdelki > Oreh > Okrogla matica > Zaporna matica ležaja
        Zaporna matica ležaja
        • Zaporna matica ležajaZaporna matica ležaja
        • Zaporna matica ležajaZaporna matica ležaja

        Zaporna matica ležaja

        Protimatica za ležaje China Xiaoguo® ima natančno zasnovano režo, ki ustvari zelo fino aksialno zračnost, ko so komponente ležaja nameščene skupaj, s čimer se dosežejo optimalni pogoji spajanja. Postopek izdelave protimatic za ležaje, ki jih proizvaja tovarna na Kitajskem, je izjemno natančen.

        Pošlji povpraševanje

        Opis izdelka

        Kako izbrati primerno velikost?

        Da bi zagotovili pravilno uporabo protimatice ležaja, priporočamo naslednje točke za izbiro:

        (1) Določite specifikacijo niti: To je glavni predpogoj. Za metrične sisteme glejte vrednost M; za imperialne sisteme se nanašajte na inče. [Opomba: Ta izdelek uporablja izključno vijake s finim navojem. Pri izbiri preverite korak (na primer M16×1,5), da se izognete izbiri specifikacije z grobim navojem.]

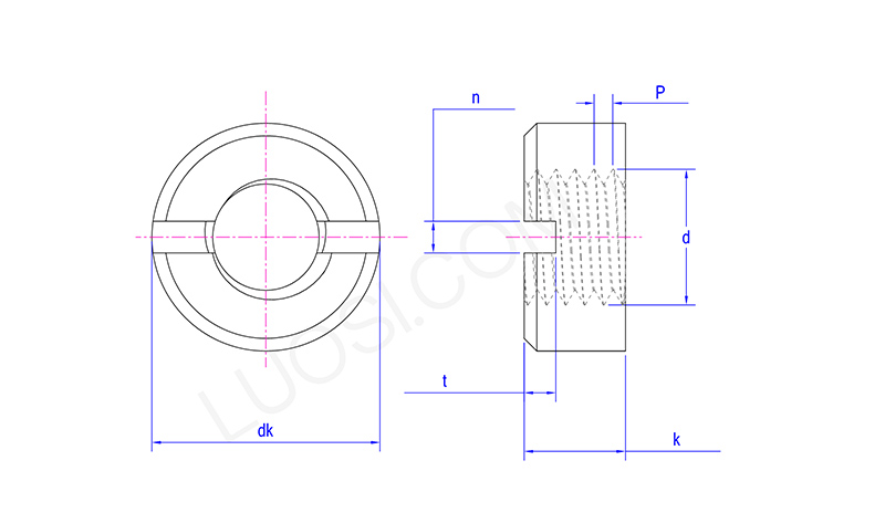
        (2) Preverite ključne mere: preverite zunanji premer (dk) in debelino (m), da zagotovite, da ima matica dovolj prostora za namestitev znotraj opreme.

        (3) Določite standarde: Jasno določite standarde izdelka, kot je "nacionalni standard GB/T 812" ali "nemški standard DIN 981", da zagotovite, da imajo vse mere zahtevane tolerance in natančnosti.


        Bearing Lock Nut

        pon M3.5 M4 M5 M6 M8 M10 M12 M14 M16 M18 M20
        P 0.6 0.7 0.8 1 1.25 1.5 1.75 2 2 2.5 2.5
        dk maks 7 8 9 11 14 18 21 24 26 29 32
        dk min 6.64 7.64 8.64 10.57 13.57 17.57 20.48 23.48 25.48 28.48 31.38
        k maks 3 3.5 4.2 5 6.5 8 10 11 12 13 14
        k min 2.75 3.2 3.9 4.7 6.14 7.64 9.64 10.57 11.57 12.57 13.57
        n min 1.46 1.46 2.06 2.56 3.06 3.57 4.07 4.07 4.07 4.07 5.07
        n maks 1.71 1.71 2.31 2.81 3.31 3.87 4.37 4.37 4.37 4.37 5.37
        t min 1 1.2 15 2 2.5 3.2 3.8 3.8 3.8 4.8 4.8
        t maks 1.40 1.60 1.90 2.4 3 3.7 4.3 4.3 4.3 5.5 5.5

        Podrobna razlaga ključnih parametrov


        Pri izbiri velikosti protimatice ležaja bodite še posebej pozorni na naslednje ključne parametre:

        (1)Specifikacija navoja (D×P): To označuje nazivni premer (D) in korak (P) navoja.

        Na primer, pri M16×1,5 M16 predstavlja nazivni premer 16 mm, 1,5 pa korak 1,5 mm.

        (2)Zunanji premer (dk): največja zunanja mera matice, ki določa najmanjši prostor, potreben za namestitev.

        (3)Debelina (m): aksialna višina matice, ki vpliva na roko zaklepne sile in moč.

        (4)Število utorov (n) / širina utorov (b) / globina utorov (t): Geometrijski parametri za utore, ki se morajo ujemati z dimenzijami ustreznih profesionalnih orodij (kljukastega ključa in odpiralnih zatičev/držalnih podložk).

        Bearing Lock Nut

        Hitri referenčni podatki o splošnih specifikacijah

        Tukaj je nekaj pogosto uporabljenih standardnih specifikacijskih podatkov:

        Za primer vzemite protimatico ležaja GB/T 812-1988 (metrično):

        Specifikacija navoja: D×P Zunanji premer: dk (mm) Debelina: m (mm) Število rež: n Globina utora: t (mm)
        M10*1 22 8 4 2.6
        M12*1,25 25 8 4 2.6
        M14*1,5 28 8 4 2.6
        M16*1,5 30 8 4 3.1
        M18*1,5 32 8 4 3.1
        M20*1,5 35 8 4 3.1

        Izbira in uporaba

        (1)Skladnost navoja: vse protimatice ležajev so opremljene z vijaki s finim navojem. Preverite korak, da se izognete zamenjavi z vijaki z grobim navojem.

        (2)Dodatna orodja: Postopek razstavljanja in sestavljanja zahteva uporabo posebnega ključa v obliki kljuke.

        (3)Dodatki proti zrahljanju: Da bi dosegli učinek zaklepanja, jih je treba uporabiti skupaj z omejevalnimi podložkami (kot je GB/T 858) ali odprtimi zatiči.

        (4)Tehnične risbe: Pri načrtovanju se vedno obrnite na najnovejšo različico ustreznih standardnih tehničnih risb ali specifikacij izdelka.

        Hot Tags: Zaporna matica ležaja, Kitajska, proizvajalec, dobavitelj, tovarna
        Povezana kategorija
        Pošlji povpraševanje
        Prosimo, oddajte svoje povpraševanje v spodnjem obrazcu. Odgovorili vam bomo v 24 urah.
        X
        Piškotke uporabljamo, da vam ponudimo boljšo izkušnjo brskanja, analiziramo promet na spletnem mestu in prilagodimo vsebino. Z uporabo te strani se strinjate z našo uporabo piškotkov. Politika zasebnosti
        Zavrni Sprejmi