domov > Izdelki > Oreh > Šesterokotna matica > Visoko trdna šestroba matica
        Visoko trdna šestroba matica
        • Visoko trdna šestroba maticaVisoko trdna šestroba matica
        • Visoko trdna šestroba maticaVisoko trdna šestroba matica
        • Visoko trdna šestroba maticaVisoko trdna šestroba matica

        Visoko trdna šestroba matica

        Visoko trdne šestrobe matice je mogoče uporabiti v okoljih, kjer standardnih matic ni mogoče uporabiti. Višina matice tipa 2 je približno 10 % višja od višine matice tipa 1. Pri nakupu pri Xiaoguo® vam zagotavljamo visokokakovostne izdelke, ki ustrezajo vašim potrebam po pritrditvi.
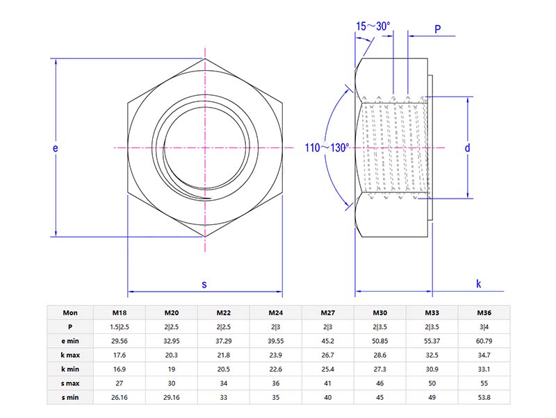
        Model:GB/T 33943-2017

        Pošlji povpraševanje

        Opis izdelka


        Visoko trdna šestroba maticaje debelejši in močnejši od tipa 1, nosilnost pa je večja kot pri tipu 1, zaradi česar so primerni za težka bremena ali scenarije z visokimi zahtevami. Tip 1 je primeren za lažja dela, medtem ko je tip 2 primeren za težke stroje ali strukturne obremenitve. Vendar je tip 2 dražji in težji.

        Enojna šestroba matica tipa 2 je razmeroma dostopna šestroba matica, ki ne zahteva toplotne obdelave. Matice tipa 2 se večinoma uporabljajo v aplikacijah, kjer je pogosto potrebno sestavljanje in razstavljanje, kot so vesoljska industrija, avtomobili, gradbeništvo, stroji in druge aplikacije, ki zahtevajo relativno močne konektorje.


        Podrobnosti o izdelku in parametri

        Type 2 Single Chamfered Hexagon Nut


        Enoposneta šestroba matica tipa 2 je nameščena na okvirje tovornjakov, sisteme tekočih trakov ali kmetijsko opremo. Lahko prenesejo večji navor, kar preprečuje, da bi se matica odtrgala, posneti rob pa pomaga hitro poravnati vijak. So preveč okorni za police ali osnovno pohištvo.

        Pri izbiri enojne šestrobe matice tipa 2 je treba najprej upoštevati velikost vijaka. Ujemajte premer navoja (npr. M12, ¾ ") in korak (grob navoj ali fin navoj). Posnemanje bo dodalo majhen kot na eni strani navoja. Pri zategovanju se izogibajte napačnemu vijačenju navojev. Ne mešajte metričnih in imperialnih navojev, saj boste s tem poškodovali navoje.

        Thevisoko trdna šestroba maticalahko hitreje vodi vijake in s tem skrajša čas izpadov opreme v množični proizvodnji. Vroče pocinkane matice so primerne za zunanjo uporabo, vendar se jim je treba izogibati v korozivnih okoljih, kjer se lahko premaz obrabi. Matic ne uporabljajte ponovno na zavrženi opremi.


        Type 2 Single Chamfered Hexagon Nut

        Nasveti za namestitev

        Pri nameščanjuvisoko trdna šestroba matica, je posneti rob obrnjen proti sorniku, da je navojna povezava bolj gladka. Za zategovanje uporabite momentni ključ. Pazite, da lahko premočno zategovanje poškoduje vijak. Priporočljiva je uporaba visoko kakovostnih vijakov (z enakim razredom trdnosti) in kaljenih podložk v kombinaciji.

        Hot Tags: Visoko trdna šestroba matica, Kitajska, proizvajalec, dobavitelj, tovarna
        Povezana kategorija
        Pošlji povpraševanje
        Prosimo, oddajte svoje povpraševanje v spodnjem obrazcu. Odgovorili vam bomo v 24 urah.
        X
        Piškotke uporabljamo, da vam ponudimo boljšo izkušnjo brskanja, analiziramo promet na spletnem mestu in prilagodimo vsebino. Z uporabo te strani se strinjate z našo uporabo piškotkov. Politika zasebnosti
        Zavrni Sprejmi