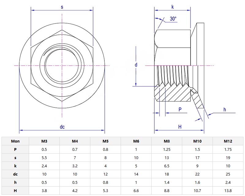
Šestrobe matice in sklop stožčaste podložkesprimeren za neravne ali nagnjene površine.Šesterokotne maticezagotavljajo standardne navoje za vijake, medtem ko so stožčaste podložke prilagojene ustreznemu naklonu ali razmiku zaradi varnosti.

Thešestrobe matice in sklopi stožčastih podložkimajo standardni navoj, medtem ko ima stožčasta podložka nagnjeno površino, ki omogoča nastavitev do 10-15 stopinj. Široko dno podložke enakomerno porazdeli obremenitev, sklop pa deluje z metričnimi ali imperialnimi vijaki. Je večji od ploščate podložke, vendar rešuje težave pri poravnavi.
Uporabašestrobe matice in konične podložkeeszavarovativijakina nagnjenih ali neravnih površinah. Lahko pritrdi nosilce na nagnjene jeklene nosilce, namesti opremo na neraven beton ali pritrdi noge stroja na skalnata tla. Omogoča tudi enostavno naknadno vgradnjo starejših struktur s površinami, ki se sčasoma posedejo ali upogibajo.
Hex matice in sklopi stožčastih podložkso pogosti v gradbeništvu (jekleni nosilci, odri), tirnih sistemih (pritrjevanje tirov) in kmetijskih strojih (pritrditve na neravnem terenu). Uporabljajo se tudi v stebrih, nosilcih solarnih panelov in projektih DIY, kot je gradnja krovov. Kjer koli se vijaki srečajo z nagnjenimi ali grobimi površinami, ta kombinacija ohranja stvari tesne.

| trg |
Skupni prihodek (%) |
| Severna Amerika |
10 |
| Vzhodna Evropa |
23 |
| Jugovzhodna Azija |
3 |
| Srednji vzhod |
5 |
| Vzhodna Azija |
18 |
| Zahodna Evropa |
15 |
| Srednja Amerika |
6 |
| Južna Azija |
5 |
| Domači trg |
15 |
Šestrobe matice in sklopi stožčastih podložkimajo nizke stroške vzdrževanja in morate samo preveriti, ali je izdelek zarjavel ali ali je podložka deformirana, ko jo uporabljate. Ukrivljeno tesnilo je treba zamenjati, da ohranite oprijem. Niso primerni za ekstremne kote (več kot 15 stopinj) ali velike vrtljive obremenitve. So stroškovno učinkovita rešitev za večino neuravnoteženih delovnih mest.