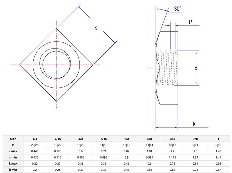
Thegroba končna kvadratna NUtje osnovni pritrdilni element brez zasipanja z velikimi nitmi (grobo smolo) in kvadratno obliko. Njegova groba površinska zaključek, pogosto obložena s cinkom ali črnim oksidom, se upira rje in obravnava težka opravila.

Če morate uporabljati vijake v težkih okoljih, potem lahko izberetegroba končna kvadratna matica. Njegova surova površina je tudi bolje v umazanih ali mastnih okoljih, kar zmanjšuje zdrs med zategovanjem. Kvadratna matica je mogoče zakleniti na mestu s ključem ali kleščami. Primerno je za stroje, kmetijsko opremo ali gradnjo. Brez domišljijske prevleke, samo osnovno jeklo, enostaven za ravnanje z visoko trdnostjo.
Mehanika, ki pritrdi stare tovornjake ali traktorje, pogosto uporabljajogroba končna kvadratna maticaza zarjavele ali obrabljene vijake. Groba površina se prilagaja poškodovanim niti bolje kot polirane oreščke, kvadratna oblika pa se ne bo zaokrožila pod močnim navorom. Odličen za izpušne sisteme, popravila podvozja ali karkoli, ki je izpostavljeno maščobi in umazanijo. Samo zavrtite in nadaljujte z delom.
Ko kmetje popravijo pluge ali namakalno opremo, pogosto uporabljajogroba končna kvadratna maticaKer je enostavno upravljati. Ogrožena površina lahko učinkovito zdravi umazanijo in umazanijo, da prepreči zamašitev. Kvadratne matice lahko pritrdite v tesnih prostorov. Tudi pri rokavicah ga je mogoče enostavno namestiti z uporabo samo osnovnih orodij. Idealno za hitra popravila brez izpadov.

| Trg |
Skupni prihodek (%) |
| Severna Amerika |
15 |
| Južna Amerika |
10 |
| Vzhodna Evropa |
12 |
| Jugovzhodna Azija |
10 |
| Sredi vzhoda |
7 |
| Vzhodna Azija |
17 |
| Zahodna Evropa |
15 |
| Južna Azija |
6 |
| Domači trg |
8 |
Groba končna kvadratna maticaima nizke stroške vzdrževanja. Preverite, ali je nit zarjavela ali med uporabo odpade. Če je prevleka obrabljena, ga zamenjajte. Če je matica v solnem okolju, namažite nit. Izogibajte se pretiranemu teči. Debele niti lažje odpadejo kot fine.