domov > Izdelki > Oreh > Šesterokotna matica > Črna šestroba matica Heaye
        Črna šestroba matica Heaye
        • Črna šestroba matica HeayeČrna šestroba matica Heaye
        • Črna šestroba matica HeayeČrna šestroba matica Heaye
        • Črna šestroba matica HeayeČrna šestroba matica Heaye

        Črna šestroba matica Heaye

        Črna heaye šestroba matica je primerna za uporabo v gradbeništvu, strojni industriji ali industriji domačih izdelkov. Nakup v razsutem stanju pri Xiaoguo® vam ne bo samo prihranil stroškov, ampak tudi zagotovil stabilno oskrbo. Enostavno jih je shraniti in razdeliti. Nudimo vzorce.
        Model:BS 1769-1951

        Pošlji povpraševanje

        Opis izdelka

        Thečrna heaye šestroba maticaje debelejši od standardne matice in ima debele navoje za hitro namestitev. Na voljo je v velikostih od M10 do M30 in je primeren za uporabo v najbolj težkih razmerahvijaki.

        Black Heaye Hexagon Nut

        Podrobnosti o izdelku in parametri

        Črna heaye šestroba maticase uporablja na težkih strojih, gradbenih ploščadih ali opremi, ki proizvaja vibracije in hrup. Mehaniki jih uporabljajo na okvirjih tovornjakov, delih bagrov ali industrijski opremi visoke trdnosti. Uporabite jih lahko z razredom 8vijakiker lahko prenesejo pritisk brez zdrsa. S seboj imejte viličasti ključ. Njihova velikost zahteva silo za zategovanje.

        Thečrna heaye šestroba maticase uporablja za črne jeklene nosilce, ograje ali zunanje skulpture. Mat finiš skrije praske in prepreči, da bi matica zbledela na soncu. Kmetje jih uporabljajo za traktorske priključke ali tečaje hlevov. Če uporabljate v bližini slane vode, morate na navoj nanesti le mast.

        Vozniki tovornjakov uporabljajočrna heaye šestroba maticaza pritrditev ravnih tovorov ali popravilo delov prikolice. Njihov debel material lahko prenese luknje in udarce na avtocesti. Uporabljajo se lahko s kaljenimi vijaki za pritrditev ali obešanje. Ključ z ragljo omogoča hitrejše prilagajanje med postanki v boksih. Če vozite v slanem območju, občasno obrišite matico.

        Površinska obdelava izdelka

        Površinska obdelava črne težke šesterokotne matice je namenjena predvsem preprečevanju rje, kar je osnovni postopek za to vrsto matice. Najpogostejši način je obdelava s črno oksidacijo. Uporablja kemično reakcijo za oblikovanje tanke črne zaščitne folije na površini oreha. Ta film lahko loči kovino od zraka in vode, zato matice ni enostavno zarjaveti. Postopek obdelave je preprost, dodaten premaz ni dodan, tako da ne bo spremenil velikosti oreha ali vplival na njegovo uporabo. Površina po obdelavi je mat črna, brez svetlega leska. Samo sledimo običajnim korakom delovanja, da zagotovimo, da je zaščitna folija enakomerno prekrita. Včasih po oksidaciji naredimo tudi preprost oljni premaz, ki lahko nekoliko poveča učinek zaščite pred rjo. Ta vrsta površinske obdelave je primerna za vsakodnevno uporabo in splošne industrijske scenarije. Nima nobenih posebnih funkcij, le da je matica uporabna dlje časa. Obdelava ustreza običajnim industrijskim standardom, tako da se lahko matica normalno ujema s sorniki in med namestitvijo ne bo povzročala težav.




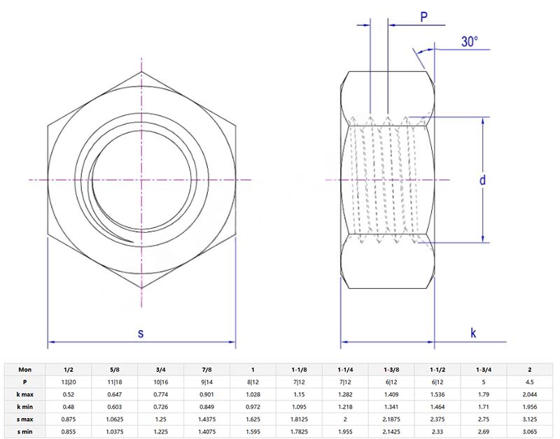
        Black Heaye Hexagon Nut parameter


        Zakaj premagajo standardne orehe

        Thečrna heaye šestroba maticaima debelejšo konstrukcijo in lahko prenese navor 2-3 krat večji od običajnih matic. Njegova površina prikrije praske, zaradi česar je idealen za uporabo na vizualno vidnih delih, kjer je pomembna estetika. Če je navoj zataknjen, matico namočite v prodorno olje.

        Hot Tags: Črna šestroba matica Heaye, Kitajska, proizvajalec, dobavitelj, tovarna
        Povezana kategorija
        Pošlji povpraševanje
        Prosimo, oddajte svoje povpraševanje v spodnjem obrazcu. Odgovorili vam bomo v 24 urah.
        X
        Piškotke uporabljamo, da vam ponudimo boljšo izkušnjo brskanja, analiziramo promet na spletnem mestu in prilagodimo vsebino. Z uporabo te strani se strinjate z našo uporabo piškotkov. Politika zasebnosti
        Zavrni Sprejmi