Zazaklepni obroč s pritrditvijo zapaha, lahko izberete materiale glede na to, kaj potrebujete. Ogljikovo jeklo (kot je SAE 1070/1095) se uporablja, ko potrebujete močan material za težka dela. Nerjavno jeklo (AISI 304/316) se dobro obnese na mestih, kjer lahko stvari rjavijo ali korodirajo. Titanove zlitine so dobre za vesoljske stvari, kjer jih potrebujejo lahke, a močne. Obstajajo tudi posebne stvari, kot je Inconel®, za razmere z ekstremnimi temperaturami, bodisi zelo vročimi ali zelo mrzlimi.
Vsak material skrbno testirajo, da se prepričajo, ali zdrži – preverjajo, koliko se lahko raztegne, ne da bi se zlomil (do 1500 MPa), in koliko obrabe lahko prenese skozi čas. Raznolikost materialov pomeni, da lahko ta zadrževalni obroč deluje v številnih različnih okoljih, od zelo mrzlih krajev do tovarn z visoko vročino.
Skrb zazaklepni obroč s pritrditvijo zapahapomeni redno preverjanje tesnosti vijakov, površinske obrabe ali rje. Med vzdrževanjem zategnite vijake z navorom, ki ga priporoča proizvajalec (običajno 20-50 Nm). Z nežnimi čistili obrišite ostanke in na navoje nanesite nekaj masti proti zagozdenju, da jih boste kasneje lažje razstavili. Če opazite razpoke ali je prstan napačne oblike, ga zamenjajte. Prstane pred namestitvijo hranite na suhem mestu z nadzorovano temperaturo, da se ne poškodujejo. Sledenje tej rutini jim pomaga, da najbolje delujejo in lahko zdržijo do 30 % dlje.

V: Kako določim pravilno velikost azaklepni obroč s pritrditvijo zapahaza moj premer gredi?
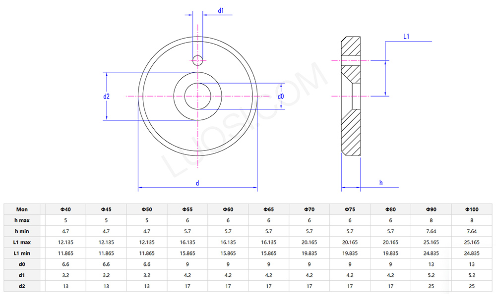
O: Izbira pravegazaklepni obroč s pritrditvijo zapahaodvisno od debeline gredi (OD) in vrste navoja. Začnite z merjenjem debeline gredi in jo primerjajte z proizvajalčevim vodnikom po velikosti. Ključne stvari, ki jih morate upoštevati: notranja velikost ovratnika se mora ujemati z navojem gredi, velikostjo vijaka in debelino ovratnika. Če vaša gred nima navojev, boste morali najprej dodati navoje. Vedno dvakrat preverite, ali so navoji metrični ali imperialni – mešanje povzroča glavobole. Za gredi čudne velikosti obstajajo objemke po meri, vendar bodo zahtevale dodaten čas in denar.
Naši zaklepni obroči, pritrjeni na vijake, so večinoma izdelani iz ogljikovega jekla. Ta material smo izbrali, ker ima dobro žilavost in odpornost proti obrabi, kar lahko zadovolji osnovne potrebe uporabe izdelka.
Preden izdelki zapustijo tovarno, njihove površine premažemo s plastjo proti rjavenju. Ta obdelava ščiti ovratnice pred rjavenjem, ko se uporabljajo v vlažnih okoljih ali shranjujejo dlje časa.
Imamo tudi izbirne materiale, kot je nerjavno jeklo, za stranke, ki potrebujejo večjo odpornost proti koroziji. Debelina materiala izdelka je zasnovana na podlagi standardnih zahtev glede nosilnosti, tako da se med običajno uporabo ne bo deformiral ali zlomil.
Del zapaha je izdelan iz istega materiala kot ovratnik, tako da ima celoten izdelek dosledno delovanje in stabilnost.
Stroški pošiljanja naših zaklepnih ovratnic, pritrjenih na zapah, so odvisni od tega, kam jih pošiljate, kateri način pošiljanja izberete in koliko jih naročite.
Če se odločite za standardno logistiko, je strošek nižji, a dostava traja nekoliko dlje – običajno 3 do 7 delovnih dni. Za hitra naročila lahko izberete hitro dostavo, vendar bo to stalo več. Natančno doplačilo je odvisno od tega, kako daleč mora pošiljka iti.
Ko vaše naročilo doseže določeno količino, vam krijemo stroške pošiljanja. Vsak izdelek je majhen in lahek, zato tudi naročila majhnih serij ne bodo imela zelo visokih stroškov pošiljanja.
Preden karkoli odpošljemo, bomo ovratnice ustrezno zapakirali, da preprečimo poškodbe med transportom. In ta strošek pakiranja je že vključen v stroške pošiljanja – zanj vam ni treba dodatno plačati.
Če želite izvedeti natančne stroške pošiljanja, vprašajte našo ekipo za pomoč strankam. Izračunali ga bodo na podlagi vaših posebnih podrobnosti naročila.
V: Kakšna je MOQ in dobavni rok za vašo zaklepno ovratnico s pritrditvijo vijakov in ali ponujate popuste za množična naročila?
O: Najmanjša količina naročila (MOQ) za standardni zaklepni obroček s pritrditvijo vijakov je 300 kosov, z dobavnim rokom 7–10 delovnih dni za redna naročila. Za naročila v velikem obsegu nad 5000 kosov ponujamo večstopenjske popuste (3%–10% popusta), da zmanjšate stroške nabave. Prilagojena zaklepna ovratnica s pritrditvijo vijakov ima MOQ 500 kosov in dobavni rok 12–18 delovnih dni, vključno s preverjanjem vzorcev in načrtovanjem proizvodnje.