domov > Izdelki > Vijak > Drugi vijaki > Vzmeten vijak
        Vzmeten vijak
        • Vzmeten vijakVzmeten vijak
        • Vzmeten vijakVzmeten vijak
        • Vzmeten vijakVzmeten vijak
        • Vzmeten vijakVzmeten vijak
        • Vzmeten vijakVzmeten vijak

        Vzmeten vijak

        Vzmetni vijaki se pogosto uporabljajo v aplikacijah, ki zahtevajo odpornost proti tresljajem, kompenzacijo toplotnega raztezanja ali nadzorovano vpenjalno silo, na primer v avtomobilski industriji ali elektroniki. Xiaoguo® ima profesionalno opremo in strokovno osebje, ki zagotavlja profesionalne storitve, in je znan kitajski proizvajalec.

        Pošlji povpraševanje

        Opis izdelka

        Vijak z vzmetjo ima različne napredne površinske obdelave za boljše delovanje in daljšo življenjsko dobo. Pogosti vključujejo galvaniziran cink, včasih z rumeno, modro ali prozorno kromatno pasivacijo za boj proti rji in boljši videz. Obstaja tudi močan Geomet® (ki je kot Dacromet, prevleka iz cinkovih kosmičev), trpežni fosfatni premazi (kot je manganov ali cinkov fosfat za zadrževanje olja in prilagajanje trenja) ali modna maziva s suhim filmom.


        Vijak z vzmetjo iz nerjavečega jekla se običajno pasivizira, da se poveča njihova naravna odpornost proti koroziji. Ti postopki jih ščitijo pred rjavenjem, zmanjšajo trenje, ko jih namestite (tako dobite natančnejšo obremenitev sponk) in jim lahko celo dajo posebne električne lastnosti.

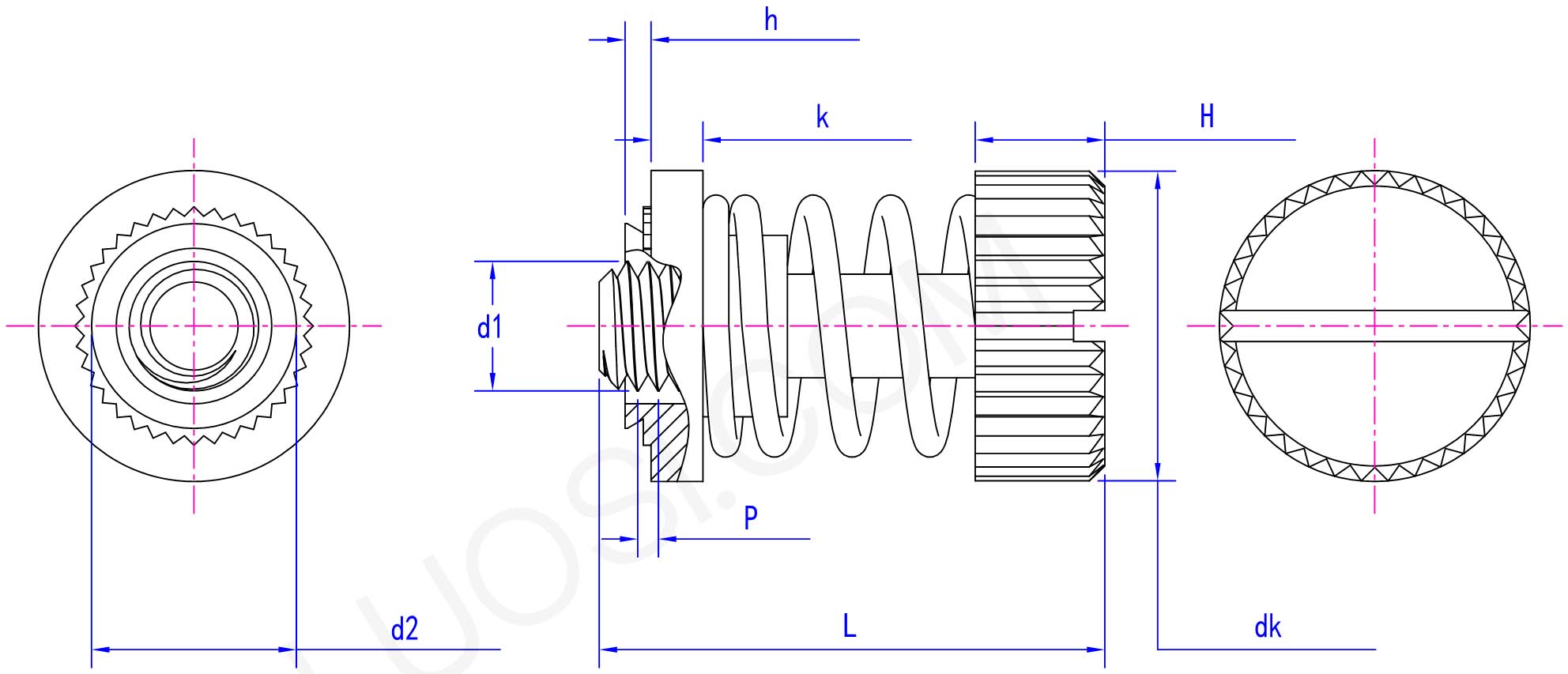
        Parametri izdelka

        pon 440 632 832 032
        P 40 32 32 32
        d1 #4 #6 #8 #10
        d2 maks 0.202 0.218 0.249 0.311
        dk maks 0.416 0.448 0.478 0.54
        dk min 0.396 0.428 0.458 0.52
        h maks 0.038 0.038 0.038 0.038
        k maks

        0.128

        0.128 0.128 0.12
        k min0,118 0.118 0.118 0.118 0.11
        H maks 0.207 0.207 0.212 0.225
        H min 0.197 0.197 0.202 0.215




        Velikost

        Vzmetni vijaki so na voljo v številnih velikostih in vrstah, da ustrezajo različnim inženirskim potrebam. Za metrične navoje so običajne velikosti od finega navoja M2 do M12 ali več. Velikosti Imperial segajo od #4 do 1/2 palca v premeru. Dolžine se zelo spreminjajo glede na to, kako globoko morajo iti v aplikaciji.


        Pomembne specifikacije vključujejo korak navoja, slog glave (na primer šesterokotnik, prirobnica, gumb ali nasadni pokrovček), vrsto pogona (šesterokotnik, Phillips, Torx®) in zasnovo vgrajenega vzmetnega dela (pomislite na podložko Belleville, valovito vzmet ali posebno obliko navoja). Večina sledi standardom, kot so DIN, ISO ali zahtevam proizvajalcev originalne opreme.

        Spring Loaded Screw

        Standardi kakovosti in industrijski certifikati

        V: Ali je v skladu z mednarodnimi standardi kakovosti, kot je ISO, ali posebnimi industrijskimi certifikati?

        O: Ja, proizvodnjo jemljemo resno. Naši vzmetni vijaki so izdelani v skladu s standardi ISO, kot je ISO 9001 za nadzor kakovosti. Če potrebujete certifikate, specifične za industrijo, lahko naredimo tudi to, na primer IATF 16949 za avtomobilsko industrijo ali AS9100 za vesoljsko industrijo. Zagotovimo lahko poročila o certificiranju materialov (MTC) in preverjanje dimenzij za vsako serijo. Tako lahko spremljate, od kod prihajajo materiali, in poskrbite, da vse ustreza specifikacijam vašega projekta.


        Hot Tags: Vzmetni vijak, Kitajska, proizvajalec, dobavitelj, tovarna
        Povezana kategorija
        Pošlji povpraševanje
        Prosimo, oddajte svoje povpraševanje v spodnjem obrazcu. Odgovorili vam bomo v 24 urah.
        X
        Piškotke uporabljamo, da vam ponudimo boljšo izkušnjo brskanja, analiziramo promet na spletnem mestu in prilagodimo vsebino. Z uporabo te strani se strinjate z našo uporabo piškotkov. Politika zasebnosti
        Zavrni Sprejmi