domov > Izdelki > Vijak > Vijak z okroglo glavo > Profil ribjega vijaka
        Profil ribjega vijaka
        • Profil ribjega vijakaProfil ribjega vijaka
        • Profil ribjega vijakaProfil ribjega vijaka
        • Profil ribjega vijakaProfil ribjega vijaka

        Profil ribjega vijaka

        Profil Fish bolt Profil Fish bolt, ki ga proizvaja tovarna Xiaoguo®, je bil podvržen natančni obdelavi. Vsi proizvodni procesi so bili podvrženi strogim pregledom. V skladu s standardom AS 1085.4-2002 vam ni treba skrbeti za kakovost izdelka. Nudimo vam brezplačne vzorce za testiranje.
        Model:ASME/ANSI B18.10-1-2006

        Pošlji povpraševanje

        Opis izdelka

        TheProfil ribjega vijakase uporablja predvsem za povezovanje ribjih plošč na progi, kar omogoča, da se dva dela železniških tirov trdno povežeta skupaj v dolgo progo. Izdelujemo lahko v skladu z različnimi mednarodnimi standardi, kot so BS, ASTM, DIN in drugi standardi.

        Podrobnosti o izdelku

        Obstaja več oblik glave sornika, kot so okrogla glava, kvadratna glava in šesterokotna glava. Njegov vijačni del ima navoj, specifikacije velikosti pa so zelo raznolike. Premer se običajno giblje od M10 do M24, dolžina pa je lahko tudi od več deset milimetrov do več kot sto milimetrov. Običajni materiali vključujejo ogljikovo jeklo, kot je jeklo Q235 in 45#, ter nerjavno jeklo.

        TheProfil ribjega vijakase uporablja v železniški industriji. Pri polaganju železniških tirov se uporabljajo za povezovanje delov tirnic enega za drugim. Vsak dan po tirih vozijo številni hitri in težki vlaki, ki povzročajo znatne vibracije in pritisk. Zapah lahko trdno zaklene tirne spoje, ki zagotavljajo stabilnost tira in omogočijo varno in gladko vožnjo vlaka. Ne glede na to, ali gre za tovorno železnico za prevoz na dolge razdalje ali železnico za visoke hitrosti in navadno železnico za prevoz potnikov, nobena od njih ne more brez nje.

        Fish bolt profile

        Prodajna točka izdelka

        TheProfil ribjega vijakapovezava je trdna in praktična. Lahko trdno pritrdi spoje železniških tirov. Ko vlak vozi, se tiri ne bodo zlahka premaknili ali zrahljali. Poleg tega je zelo vsestranski in se lahko uporablja v težkih železnicah, lahkih tirnicah in nekaterih tirih v industriji.

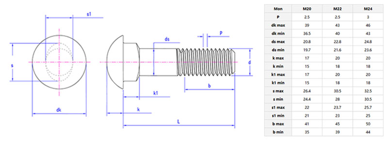
        Parametri izdelka

        Fish bolt profile


        Embalaža izdelka

        Embalaža profila Fish bolt je izdelana za praktično shranjevanje in transport. Vsaka serija je najprej razvrščena po velikosti, nato pa pakirana v debele plastične vrečke po 50 ali 100 kosov na vrečko. Vrečke so tesno zaprte, da preprečijo prah in vlago ter preprečijo rjo ali poškodbe niti. Te majhne vrečke se nato dajo v valovite kartone. Vsaka škatla ima nalepko z osnovnimi podatki: velikost, količina, datum proizvodnje in številka serije. Pri množičnih naročilih so kartoni zloženi na lesenih paletah in pritrjeni z jeklenimi trakovi, da preprečijo premikanje med prevozom. Ta način pakiranja je enostaven za uporabo, ne glede na to, ali gre za skladiščenje ali uporabo na kraju samem. Pomaga tudi pri hitrih pregledih inventarja in izpolnjevanju naročil za domače in mednarodne pošiljke.


        Seja vprašanj in odgovorov

        V: Kakšne standardne specifikacije ima profil Fish bolt?

        O: Profil ribjih vijakov v glavnem sledi mednarodnim standardom za železniške pritrdilne elemente, kot sta DIN in ISO. Skupne specifikacije vključujejo premer stebla od 16 mm do 30 mm in dolžino od 80 mm do 200 mm. Ti parametri so prilagojeni za povezovanje tirnic in pragov. Zagotovimo lahko tabelo s podrobnimi specifikacijami, na voljo pa je tudi prilagojen profil ribjih vijakov, ki temelji na zahtevah vašega specifičnega železniškega projekta.  



        Hot Tags: Profil ribjega vijaka, Kitajska, proizvajalec, dobavitelj, tovarna
        Povezana kategorija
        Pošlji povpraševanje
        Prosimo, oddajte svoje povpraševanje v spodnjem obrazcu. Odgovorili vam bomo v 24 urah.
        X
        Piškotke uporabljamo, da vam ponudimo boljšo izkušnjo brskanja, analiziramo promet na spletnem mestu in prilagodimo vsebino. Z uporabo te strani se strinjate z našo uporabo piškotkov. Politika zasebnosti
        Zavrni Sprejmi