TheRazred 8.8 Visoki vijaki z visoko trdnostjoso izdelani iz srednjega ogljikovega jekla in se podvržejo posebnemu dušenju in kaljenju. Njihova moč je veliko večja kot pri navadnih vijakih. Njen vijak ima niti in lahko sodeluje z matico, da tesno poveže dve ali več komponent skupaj.
Aplikacije za izdelke
V gradbeništvu,Razred 8.8 Visoki vijaki z visoko trdnostjose pogosto uporabljajo. Pri gradnji tovarn in mostov ga je treba uporabiti za povezovanje glavnih komponent, ki nosijo tovora, kot so jekleni tramovi in jekleni stebri. Na primer, pri izdelavi jeklenega konstrukcijskega okvirja velike tovarne lahko pritrditev jeklenih žarkov in stolpcev s takšnimi vijaki zagotovi, da celotna zgradba ostane stabilna pri dolgoročni uporabi, vzdržljivosti vetra, izpostavljenosti soncu, dežju in vibracijah, ki nastanejo z delovanjem različne opreme.
V avtomobilski proizvodni industriji se uporabljajo razred 8,8 Visoke trdne skupne vijake. Tako kot sklop motorja je treba tudi različne dele tesno priključiti, da se zagotovi, da nobena komponenta ne postane ohlapna, ko motor deluje z veliko hitrostjo. Obstaja tudi sklop avtomobilskega podvozja. Z povezovanjem različnih komponent podvozja s takšnimi vijaki lahko podvozje med vožnjo ostane stabilno, bodisi na ravnih ali poskočnih cestah, kar zagotavlja varnost vožnje.
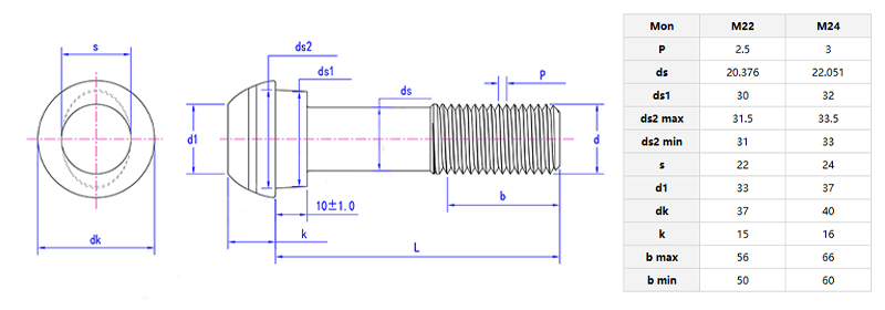
Parametri izdelka

Razred 8.8 Visoki vijaki z visoko trdnostjoniso samo močni in trpežni, ampak tudi zelo stabilni. Lahko prenesejo precejšnje natezne in tlačne sile in niso nagnjeni k popuščanju ali lomljenju v okolju vibracij in šoka. Poleg tega so naše specifikacije velikosti zelo popolne, kar lahko izpolnjuje različne zahteve po namestitvi in so zelo priročne za uporabo.