domov > Izdelki > Varilni oreščki > Varjeni čep > Varjeni čepi z okroglo projekcijo s ploščato glavo
        Varjeni čepi z okroglo projekcijo s ploščato glavo
        • Varjeni čepi z okroglo projekcijo s ploščato glavoVarjeni čepi z okroglo projekcijo s ploščato glavo
        • Varjeni čepi z okroglo projekcijo s ploščato glavoVarjeni čepi z okroglo projekcijo s ploščato glavo
        • Varjeni čepi z okroglo projekcijo s ploščato glavoVarjeni čepi z okroglo projekcijo s ploščato glavo

        Varjeni čepi z okroglo projekcijo s ploščato glavo

        Varilni čepi z okroglo ploščato glavo so zasnovani za varjenje površine plastike. Uporabljajo toploto za taljenje in lepljenje materialov, ne da bi jih poškodovali. Njegova zasnova zagotavlja varno prileganje in preprečuje pokanje plastike. Xiaoguo® Factory zagotavlja pritrdilne elemente različnih velikosti in modelov, ki jih je mogoče uporabiti v različnih scenarijih.
        Model:QC/T 891-2011

        Pošlji povpraševanje

        Opis izdelka

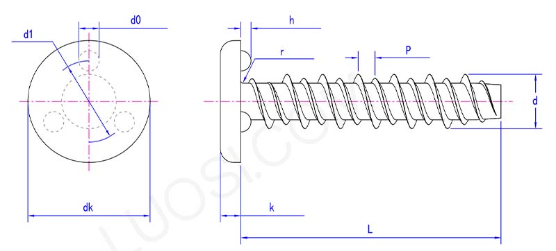
        Varjeni čepi z okroglo ploščato glavo so v glavnem sestavljeni iz vijačne palice in glave. Zasnova glave je drugačna. Nekateri so relativno široki, da povečajo kontaktno površino s plastiko med varjenjem; drugi imajo posebne vzorce ali izbokline za lažjo integracijo s plastiko.

        Aplikacije in parametri izdelka

        Round flat head projection weld studs parameter

        pon
        NST3 NST3.5
        NST4
        NST5
        NST6
        P
        1.1 1.3 1.4 1.6 1.8
        d1
        6.2 7 8 9.2 10.8
        d0 maks
        1.1 1.4 1.9 2.1 2.7
        d0 min
        0.9 1.2 1.7 1.9 2.4
        dk maks
        8.3 9.4 10.9 12.3 14.5
        dk min
        8.1 9.2 10.7 12.1 14.2
        h maks
        0.45 0.55 0.7 0.8 1.05
        h min
        0.35 0.45 0.6 0.7 0.95
        k maks
        1 1.2 1.3 1.7 2.1
        k min
        0.6 1 1.1 1.5 1.9
        r maks
        0.4 0.5 0.6 0.7 1.0


        Varjeni čepi z okroglo ploščato glavo se uporabljajo v industriji proizvodnje elektronike. Na primer, pri izdelavi ohišij za telefone, ohišij za tablične računalnike, ohišij za slušalke itd. bodo nekatere notranje plastične strukturne povezave zahtevale uporabo teh vrst vijakov. Ko nameščate plastične komponente, kot sta držalo baterije in ščit matične plošče v telefon, jih pritrdite na ustrezne položaje z varjenjem in nato namestite druge komponente.

        Ti varjeni vijaki se uporabljajo v industriji za proizvodnjo igrač. Številne igrače so sestavljene iz plastičnih delov in s temi deli jih je mogoče povezati. Kot so plastični gradniki za izdelavo gradov igrač, plastičnih modelov avtomobilov itd. Zagotavljajo vzdržljivost igrač in varnost za uporabo otrok.

        Projekcijski varjeni čepi se uporabljajo v proizvodni industriji gospodinjskih izdelkov. Uporabljali jih bodo številni plastični izdelki, kot so plastične škatle za shranjevanje, plastične mize in stoli itd. Ko nameščate ročaje, predelne stene in druge komponente škatle za shranjevanje, privijte varilne vijake na glavno telo škatle za shranjevanje in nato namestite ustrezne komponente. To zagotavlja, da se te komponente med pogosto dnevno uporabo ne bodo zlahka zrahljale, s čimer se poveča praktičnost in življenjska doba škatle za shranjevanje.

        Značilnost izdelka

        Varjeni čepi z okroglo ploščato glavo lahko dosežejo varno in priročno povezavo med plastičnimi komponentami. S pomočjo varjenja je tesno vezan na plastične komponente, z visoko trdnostjo povezave, ki učinkovito preprečuje zrahljanje komponent. Postopek varjenja je razmeroma preprost. Za tiste, ki imajo nekaj izkušenj s predelavo plastike, je enostavno obvladati in lahko poveča učinkovitost proizvodnje.


        Hot Tags: Varjeni čepki z okroglo ploščato glavo, Kitajska, proizvajalec, dobavitelj, tovarna
        Povezana kategorija
        Pošlji povpraševanje
        Prosimo, oddajte svoje povpraševanje v spodnjem obrazcu. Odgovorili vam bomo v 24 urah.
        X
        Piškotke uporabljamo, da vam ponudimo boljšo izkušnjo brskanja, analiziramo promet na spletnem mestu in prilagodimo vsebino. Z uporabo te strani se strinjate z našo uporabo piškotkov. Politika zasebnosti
        Zavrni Sprejmi