Zaradi naravnih značilnosti plastičnih razširitvenih sponk za zakovice so primerne za posebne, posebne namene. Ker ne prevaja električnega toka, je zelo pomemben v električnih omaricah in visokonapetostnih območjih. Ne proizvaja isker, kar je res potrebno na mestih, kjer bi lahko prišlo do eksplozij (cone ATEX).
Prav tako ne morete brez njega v sobah z magnetno resonanco in občutljivo elektroniko, kjer niti majhna magnetna polja iz kovinskih zatičev preprosto niso dovoljena.

Dobre plastične sponke za zakovice, ki se raztezajo, gredo skozi stroge teste, da se zagotovi dosledno delovanje. Ti testi preverjajo stvari, kot so natančnost velikosti, koliko vlečenja zmore, kako dobro prenaša udarce in ali deluje z različnimi kemikalijami.
Plastične razcepke Xiaoguo® so izdelane po industrijskih standardih z uporabo materialov, ki izpolnjujejo določene zahteve, kar zagotavlja učinkovitost. Varno in varno držijo predmete na mestu za predvideni namen. V primerjavi s kovinskimi razcepkami so plastični bolj odporni proti koroziji in rji.

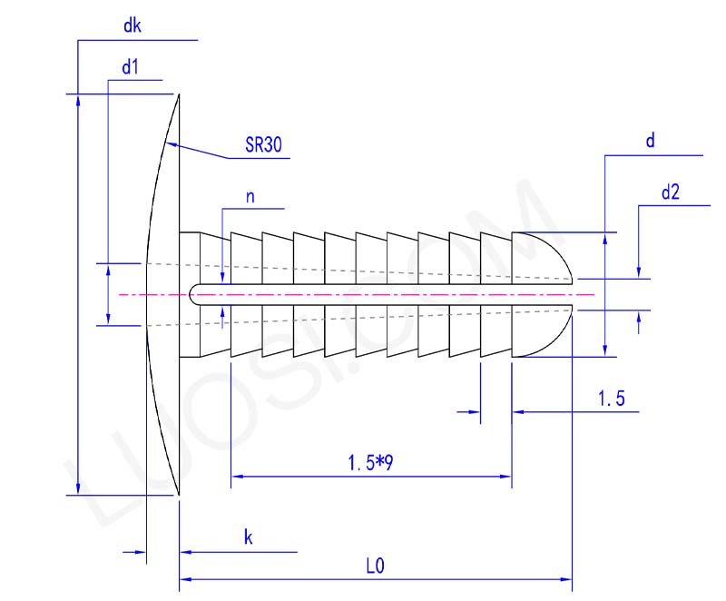
pon
Φ6
Φ8
Φ10
d maks
6
8
10
d min
5.8
7.8
9.8
dk maks
16.2
16.2
18.2
dk min
15.8
15.8
17.8
k maks
1.6
1.6
2.1
k min
1.4
1.4
1.9
L0
20
20
22
d1
3
4
5
d2
1.5
2
3
n
1
1
1.5
Naše standardne plastične sponke za zakovice so izdelane iz materialov, ki so skladni z glavnimi mednarodnimi predpisi, vključno z RoHS in REACH. Ponujamo tudi različice s certifikatom FDA za aplikacije v stiku z živili. Certifikati o skladnosti so na voljo na zahtevo.
Naši materiali so med proizvodnjo skrbno izbrani v skladu z globalnimi standardi, kar zagotavlja skladnost z ustreznimi standardi kakovosti ter varen izvoz in široko uporabo po vsem svetu.