|
pon |
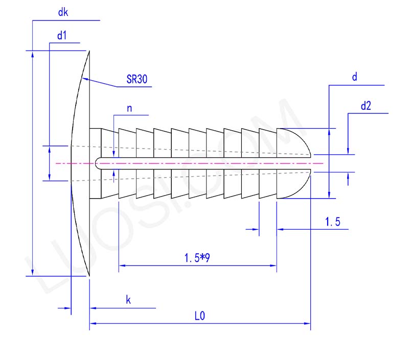
Φ6 |
Φ8 |
Φ10 |
|
d maks |
6 | 8 | 10 |
|
d min |
5.8 | 7.8 | 9.8 |
|
dk maks |
16.2 | 16.2 | 18.2 |
|
dk min |
15.8 | 15.8 | 17.8 |
|
k maks |
1.6 | 1.6 | 2.1 |
|
k min |
1.4 | 1.4 | 1.9 |
|
L0 |
20 | 20 | 22 |
|
d1 |
3 | 4 | 5 |
|
d2 |
1.5 | 2 | 3 |
|
n |
1 | 1 | 1.5 |
Razširljivo držalo sponke zakovice je uporabna plastična sponka. Deluje kot varnejša, lažja možnost, ki je odporna proti rji, namesto običajnih kovinskih razcepk.
V bistvu je valjast kos z razcepom na sredini. Postavite ga skozi predhodno izvrtano luknjo, nato pa obe nogi upognete navzven, da na svojem mestu držita dele, kot so zatiči, gredi ali povezave. Ta plastična različica se znebi težav, kot so obraba kovine, ostri robovi in galvanska korozija.
Glavne prednosti razširljivega zadrževalnika zakovice so varnost, lažji in vzdržljiv v različnih okoljih.
Za razliko od kovinskih zatičev nima težav z ostrimi robovi, ki bi vas lahko porezali, ko ga vstavite ali odstranite. Je precej lažji, kar je zelo pomembno za uporabo v vesolju in avtomobilih.
Še več, držalo za zakovice, ki se raztezajo, je naravno odporno proti rji in koroziji. Uporablja se lahko na mokrih lokacijah, v bližini kemikalij ali kjer ni dovolj električne energije in kjer lahko kovinske igle ne delujejo pravilno ali povzročajo težave.

Specifična vrednost strižne trdnosti našega držala sponke za zakovice se bo razlikovala glede na premer zatiča in specifično vrsto materiala.
Zasnovan je tako, da prenese veliko vibracij in premikajočih se obremenitev, ki so pogosti pri strojih, avtomobilskih delih in montažnih linijah.
Material ima naravno nekaj prožnosti in prožnosti, kar mu pomaga absorbirati udarce. Zaradi tega je zanesljiv nadomestek za kovinske zatiče v številnih težkih okoljih, ne obrabi se zlahka in prav tako zmanjša obrabo delov, ki jih povezuje.
