domov > Izdelki > Oreh > Ročno privijte matico > Narebričene matice z visoko glavo
        Narebričene matice z visoko glavo
        • Narebričene matice z visoko glavoNarebričene matice z visoko glavo
        • Narebričene matice z visoko glavoNarebričene matice z visoko glavo

        Narebričene matice z visoko glavo

        Vključite prihodnost nadzora gibanja. Najnovejše narebričene matice z visoko glavo XIAO GUO imajo optimizirano kroženje kroglic za tišje delovanje in višje hitrosti. To je modna izbira narebričenih matic z visoko glavo za stroje naslednje generacije.

        Pošlji povpraševanje

        Opis izdelka

        Stroški pošiljanja za narebričene matice z visoko glavo se razlikujejo glede na velikost naročila in naslov za dostavo. Manjša naročila imajo običajno višje stroške pošiljanja. Za majhna naročila, kot so vzorčne serije ali manj kot 5000 kosov, uporabljamo kurirje, kot sta DHL ali FedEx. Cena se običajno giblje od 25 do 90 dolarjev, dostava pa traja 3-7 dni. Pošta je cenejša, a počasnejša, saj traja približno 10–18 dni.

        Naročila v razsutem stanju nad 10.000 kosov so boljša pri prevozu po morju ali zraku. Pomorski prevoz je bolj stroškovno učinkovit, saj stane 350–900 USD na kubični meter, vendar traja 20–35 dni. Letalski prevoz je hitrejši (5-10 dni), vendar dražji, približno 6-9 $ na kilogram. Ustrezno jih bomo zapakirali, da preprečimo poškodbe med prevozom.

        Samo povejte nam količino naročila in namembni kraj in dali vam bomo natančno ponudbo. Brez skritih stroškov - plačate samo dejanske stroške pošiljanja. Možnosti pošiljanja narebričenih orehov z visoko glavo delujejo tako za majhne vzorce kot za velike množične nakupe, kar ustreza različnim proračunskim in časovnim potrebam.

        Značilnosti videza izdelka

        Na splošno ima preprosto cilindrično obliko, brez dodatnih oblikovalskih delcev. Zunanja površina je gladka, kar omogoča enostavno prileganje v predhodno izvrtane luknje med namestitvijo. Okoli enega konca je majhna prirobnica - to preprečuje, da bi zdrsnil skozi pločevino, ko je enkrat pritisnjen.

        Notranji del ima enakomerne navoje, ki ustrezajo običajnim velikostim vijakov. Navoji niso preostri, ravno pravšnji za gladko prileganje sornikom. Drugi konec je raven, tako da se po namestitvi poravna s pločevino, brez štrlečih delov.

        Njegova velikost je majhna in ustreza potrebam po tanki pločevini. Površina ima samo osnovni premaz, kot je pocinkanje ali pasivacija, brez dodatnih barv ali okraskov. Oblika narebričenih matic z visoko glavo je namenjena praktični uporabi, kar olajša namestitev in delo pri sestavljanju pločevine.

        High Head Knurled Nuts

        Seja vprašanj in odgovorov

        V: Ali ga lahko prilagodite z nestandardnimi velikostmi?

        O: Da, sprejemamo naročila po meri za nestandardne velikosti navojev ali zunanje premere. Samo poslati nam morate svoje podrobne zahteve glede velikosti in pričakovano količino naročila. Čas izdelave po meri je cca 15-20 dni, kar je nekoliko dlje od standardnih. Če je količina več kot 50.000 kosov, ni dodatne pristojbine za kalup. Najprej vam bomo poslali vzorce za potrditev pred množično proizvodnjo.  


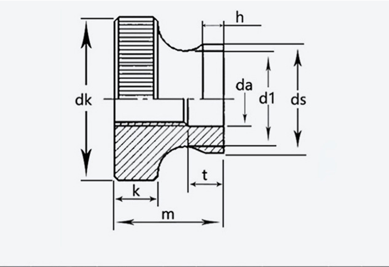
        velikost Pitch Zunanji premer Višina k ds da d1 T h
        maks min maks min maks min maks min maks
        M3 0,5  11  10.7  6.64  2.8  5.7  3.5  3.2  5.2  1.2 
        M4 0,7  12  11.7  7,64  7,64  4.5  4.2  6.4  2.5  1.5 
        M5 0,8  16  15.7  10  96.6  10  9.64  5.5  5.5 
        M6 20  19.7  12  11.6  12  11.6  6.56  6.2  11  2.5 
        M8 1.25  24  23.7  16  15.6  16  15.6  8,86  8.5  13 
        M10 1.5 30 29.7 20 19.5 8 20 19.5 10.9 10.5 17.2 6.5 3.8
        Hot Tags: Narebričene matice z visoko glavo, Kitajska, proizvajalec, dobavitelj, tovarna
        Povezana kategorija
        Pošlji povpraševanje
        Prosimo, oddajte svoje povpraševanje v spodnjem obrazcu. Odgovorili vam bomo v 24 urah.
        X
        Piškotke uporabljamo, da vam ponudimo boljšo izkušnjo brskanja, analiziramo promet na spletnem mestu in prilagodimo vsebino. Z uporabo te strani se strinjate z našo uporabo piškotkov. Politika zasebnosti
        Zavrni Sprejmi