domov > Izdelki > Oreh > Ročno privijte matico > Matica, prevlečena s črnim nikljem
        Matica, prevlečena s črnim nikljem
        • Matica, prevlečena s črnim nikljemMatica, prevlečena s črnim nikljem
        • Matica, prevlečena s črnim nikljemMatica, prevlečena s črnim nikljem

        Matica, prevlečena s črnim nikljem

        Neposredno nabavite vzdržljive komponente valjaste matice s prevleko iz črnega niklja. XIAO GUO kot vodilna kitajska tovarna valjastih matic s prevleko iz črnega niklja izdeluje matice s krožnimi krogličnimi ležaji za minimalno trenje, dolgo življenjsko dobo in visoko nosilnost.

        Pošlji povpraševanje

        Opis izdelka

        Najpogostejša izbira je valjasta matica iz črnega niklja, izdelana iz ogljikovega jekla. Je dovolj močna za običajna dela s pločevino, kot je sestavljanje pohištva ali manjši popravki opreme. Večina ogljikovega jekla ima pocinkano prevleko, ki preprečuje rjo, kar je dobro za notranjo uporabo ali pokrita zunanja mesta.

        Za vlažna okolja ali uporabo na prostem je nerjaveče jeklo boljša možnost. Odporen je na vlago in korozijo, tudi na rahlo slanih območjih blizu obale. Imamo tudi različice iz aluminija za lahke potrebe – večinoma se uporabljajo v elektroniki, kjer lahko težki deli vplivajo na delovanje naprave.

        Vsi materiali ustrezajo osnovnim industrijskim standardom, brez dodatnih nepotrebnih obdelav. Izberite ogljikovo jeklo za vsakodnevna opravila, nerjaveče jeklo za mokre prostore in aluminij za lažja dela. Možnosti materiala valjaste matice iz črnega niklja pokrivajo večino običajnih potreb po sestavljanju, brez modnih dodatkov so le praktične izbire.


        Površinska obdelava izdelka

        Najpogostejša možnost je pocinkanje. To je osnovni postopek, ki pomaga preprečevati rjo, primeren za notranjo uporabo ali pokrita zunanja mesta. Ne dodaja dodatne debeline, zato ne vpliva na to, kako se matica prilega v luknjo za pločevino med namestitvijo. Večina oreščkov za dnevno uporabo je vključena v to zdravljenje.

        Za večjo odpornost proti koroziji je na voljo vroče cinkanje. Je debelejša od običajne pocinkane prevleke, zato dlje zdrži na vlažnih območjih ali mestih z rahlo vlago, kot so delavnice blizu obale. Matice iz nerjavečega jekla izvajamo pasivno obdelavo – to samo poveča njihovo naravno odpornost proti rji, ne da bi spremenilo njihov videz.

        Tukaj ni nobenih modnih premazov, samo praktični. Izberite pocinkanje za standardne potrebe, vroče pocinkanje za vlažna okolja in pasiviranje za modele iz nerjavečega jekla. Površinske obdelave črnega niklja Rolling Nut so namenjene osnovni zaščiti in ustrezajo najpogostejšim scenarijem sestavljanja pločevine.

        Black Nickel Plating Rolling Nut

        Seja vprašanj in odgovorov

        V: Ali ga lahko namestim brez profesionalnih orodij?

        O: Ne, potrebujete osnovno stiskalno orodje ali majhen stroj za kovičenje. Ročno udarjanje ni priporočljivo; to bo poškodovalo navoje matice ali jo zrahljalo. Za majhne serije deluje ročno ročno stiskalno orodje. Za velika naročila je bolj učinkovit avtomatski stiskalni stroj. Prav tako vam lahko priporočimo modele orodij, ki ustrezajo našim izdelkom, če še nimate pravega.  

        Black Nickel Plating Rolling Nut



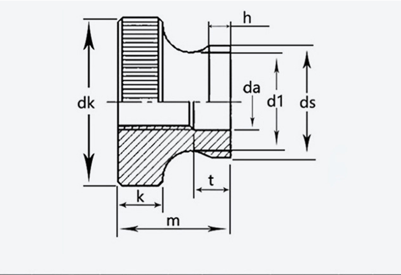
        velikost Pitch Zunanji premer Višina k ds da d1 T h
        maks min maks min maks min maks min maks
        M3 0,5  11  10.7  6.64  2.8  5.7  3.5  3.2  5.2  1.2 
        M4 0,7  12  11.7  7,64  7,64  4.5  4.2  6.4  2.5  1.5 
        M5 0,8  16  15.7  10  96.6  10  9.64  5.5  5.5 
        M6 20  19.7  12  11.6  12  11.6  6.56  6.2  11  2.5 
        M8 1.25  24  23.7  16  15.6  16  15.6  8,86  8.5  13 
        M10 1.5 30 29.7 20 19.5 8 20 19.5 10.9 10.5 17.2 6.5 3.8
        Hot Tags: Matica s prevleko iz črnega niklja, Kitajska, proizvajalec, dobavitelj, tovarna
        Povezana kategorija
        Pošlji povpraševanje
        Prosimo, oddajte svoje povpraševanje v spodnjem obrazcu. Odgovorili vam bomo v 24 urah.
        X
        Piškotke uporabljamo, da vam ponudimo boljšo izkušnjo brskanja, analiziramo promet na spletnem mestu in prilagodimo vsebino. Z uporabo te strani se strinjate z našo uporabo piškotkov. Politika zasebnosti
        Zavrni Sprejmi