Razširitveni vijaki za sidranje so v glavnem sestavljeni iz vijakov, ekspanzijskih cevi, oreščkov in drugih delov. Med namestitvijo bo z zategovanjem matice vijak poganjal razširitveno cev, da se razširi znotraj vrtine in tako trdno pritrdi na steno ali drugo osnovno površino.
	
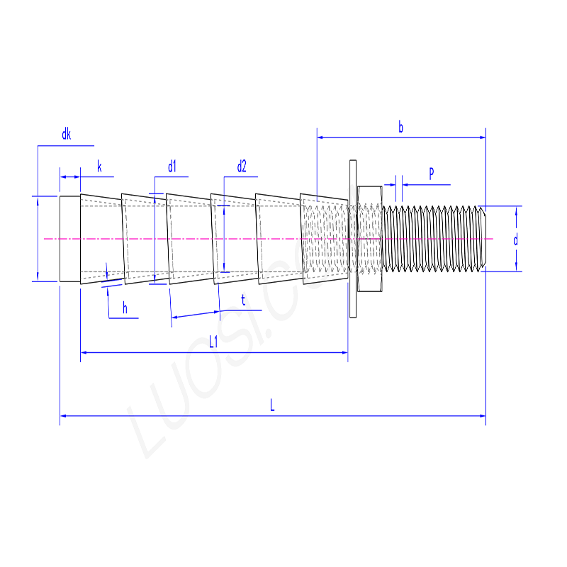
| Pon | M6 | M8 | M10 | M12 | M16 | M20 | M22 | M24 | 
| P | 1 | 1.25 | 1.5 | 1.75 | 2 | 2.5 | 2.5 | 3 | 
| Dk max | 10 | 12 | 14 | 16 | 20 | 24 | 26 | 28 | 
| Dk min | 9 | 11 | 13 | 15 | 19 | 23 | 25 | 27 | 
| L1 | 45 | 60 | 70 | 75 | 100 | 125 | 150 | 180 | 
| k | 5 | 5 | 5 | 5 | 5 | 5 | 5 | 5 | 
| d1 | 9.8 | 11.8 | 13.8 | 15.8 | 19.8 | 23.8 | 25.8 | 27.8 | 
| D2 | 6.2 | 8.2 | 10.2 | 12.2 | 16.2 | 20.2 | 22.2 | 24.2 | 
| h | 0.6 | 0.8 | 0.8 | 0.8 | 0.9 | 1 | 1 | 1.2 | 
| t | 10 | 12 | 12 | 14 | 14 | 16 | 16 | 20 | 
| L | 65 | 85 | 100 | 110 | 150 | 200 | 250 | 300 | 
	
Razširitveni vijak samo-obdelovanja lahko trdno zasidra predmete v betonskih ali zidanih strukturah. Preprosto morate vrtati luknje, vstaviti vijake in nato privijte matice. Ko se zategne, se bo sam vijak razširil znotraj luknje. Običajno nastane tako, da stožec povlečete v rokav, s čimer ustvari trdno mehansko ključavnico in jo trdno pritrdi na steno.
	
Namestitev samopostrežnih vijakov za sidranje je zelo preprosta: vrtajte luknje pravilne velikosti, odstranite prah, vijake potrkajte s kladivom in nato pritrdite matice s ključem. Med postopkom zategovanja je razširitveni mehanizem prisiljen odpreti in trdno dojeti osnovni material. To je neposreden postopek "namestitev in zategnite", ki lahko doseže trdno fiksacijo.
	
Na primer, pritrdite nosilec na betonsko steno, pritrdite mehansko podlago na tla, pritrdite ograjo ali pritrdite stolpec na temelje. So zelo primerni za srednje do težke operacije v trdnem betonu, opekah ali blokih, kjer morate po izgradnji temeljev dodati močno in snemljivo sidro.
	
Samozavezni širitveni vijaki imajo močno prilagodljivost. Ima močno prilagodljivost različnim osnovnim letalom. Ne glede na to, ali gre za betonsko steno, opečno steno ali kakšno leseno konstrukcijo, dokler so izvrtane ustrezne luknje, lahko igra zelo dobro sidrno vlogo. Poleg tega je na voljo v različnih specifikacijah. Glede na dejanske zahteve za namestitev in stanje osnovne površine lahko izberete ustrezno velikost, da se dosežejo različni scenariji namestitve.
	