domov > Izdelki > Vijak > Vijak s kvadratno glavo > Vijak s poševno glavo
        Vijak s poševno glavo
        • Vijak s poševno glavoVijak s poševno glavo
        • Vijak s poševno glavoVijak s poševno glavo
        • Vijak s poševno glavoVijak s poševno glavo

        Vijak s poševno glavo

        Vijak s poševno glavo je običajen pritrdilni element, ki se pogosto uporablja na področju proizvodnje strojev, gradbene industrije, avtomobilske proizvodnje itd. Z redno komunikacijo in povratnimi informacijami naših strank Xiaoguo® nenehno izboljšuje svoje storitve, da zagotovi najvišjo raven zadovoljstva strank.
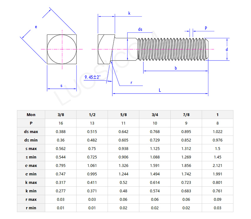
        Model:ASME/ANSI B18.2.1-4-2012

        Pošlji povpraševanje

        Opis izdelka

        Vijak s poševno glavo je poseben vijak s kvadratno glavo in edinstveno in značilno obliko.

        Razvrstitev

        Razvrstitev po velikosti: Vijake s poševno glavo lahko razdelimo na različne specifikacije glede na velikost, kot so M3, M4, M5 itd., kar ustreza različnim premerom in dolžinam navojev.

        Klasifikacija materiala: Glede na različno okolje uporabe,vijaki s poševno glavolahko razdelimo na dve vrsti ogljikovega jekla in nerjavečega jekla. Material iz ogljikovega jekla ima visoko trdnost, vendar ne odpornost proti koroziji; Nerjavno jeklo ima boljšo odpornost proti koroziji.

        Razvrstitev po stopnji natančnosti: Stopnjo natančnosti vijakov s poševno glavo lahko razdelimo na navadno in napredno. Razpon tolerance navoja navadnega razreda je velik, primeren za splošne priložnosti; Napredne tolerance navojev so manjše in natančnejše, primerne za natančne aplikacije.

        Scenariji aplikacij in načini namestitve

        Mehanska proizvodnja: Vijaki s poševno glavo se pogosto uporabljajo na področju mehanske proizvodnje, kot so mehanska oprema, strojna orodja, prenosne naprave itd.

        Gradbeništvo: Na področju gradbeništva se vijaki s poševno glavo pogosto uporabljajo za pritrditev različnih komponent, kot so tramovi, plošče, stebri itd.

        Proizvodnja avtomobilov: V procesu izdelave avtomobilov,vijaki s poševno glavose uporabljajo za popravilo avtomobilskih delov, kot so motorji, menjalniki itd.


        oblique head bolt

        Pred uporabo se prepričajte, da je navojni del čist in brez nečistoč, da zagotovite nemoteno namestitev. Poravnajte vijake s poševno glavo z luknjo ciljnega navoja in zagotovite, da je vijak poravnan z luknjo. Z ustreznim ključem ali izvijačem nežno privijte vijake, dokler se ne premaknejo. Preverite, ali so vijaki priviti. Če navor privijanja ne doseže zahtevanega navora, privijte vijake. Dokončajte namestitevvijaki s poševno glavoin zagotovite, da so vsi povezovalni deli varni in stabilni.

        oblique head bolt

        oblique head bolt

        Specifikacije izdelkov in standardi

        Specifikacije zavijaki s poševno glavoso raznolike, od M8 do M64, dolžine pa od deset milimetrov do nekaj metrov. Skupne specifikacije na trgu vključujejo 4.8 in 8.8, stranke lahko izberejo prave specifikacije in stopnje glede na posebne potrebe. Poleg tega je te vijake mogoče prilagoditi tudi glede na zahteve različnih oblikovanih delov, da ustrezajo posebnim scenarijem uporabe

        trg

        trg
        Prihodek (prejšnje leto)
        Skupni prihodek (%)
        Severna Amerika
        Zaupno
        20
        Južna Amerika
        Zaupno
        4
        Vzhodna Evropa
        Zaupno
        24
        Jugovzhodna Azija
        Zaupno
        2
        Afrika
        Zaupno
        2
        Oceanija
        Zaupno
        1
        Srednji vzhod
        Zaupno
        4
        Vzhodna Azija
        Zaupno
        13
        Zahodna Evropa
        Zaupno
        18
        Srednja Amerika
        Zaupno
        6
        Severna Evropa
        Zaupno
        2
        Južna Evropa
        Zaupno
        1
        Južna Azija
        Zaupno
        4
        Domači trg
        Zaupno
        5


        Hot Tags: Vijak s poševno glavo, Kitajska, proizvajalec, dobavitelj, tovarna
        Povezana kategorija
        Pošlji povpraševanje
        Prosimo, oddajte svoje povpraševanje v spodnjem obrazcu. Odgovorili vam bomo v 24 urah.
        X
        Piškotke uporabljamo, da vam ponudimo boljšo izkušnjo brskanja, analiziramo promet na spletnem mestu in prilagodimo vsebino. Z uporabo te strani se strinjate z našo uporabo piškotkov. Politika zasebnosti
        Zavrni Sprejmi