domov > Izdelki > Vijak > Vgrezni vijak > Flat števca vijaka z nizkim kvadratnim vratom
        Flat števca vijaka z nizkim kvadratnim vratom
        • Flat števca vijaka z nizkim kvadratnim vratomFlat števca vijaka z nizkim kvadratnim vratom
        • Flat števca vijaka z nizkim kvadratnim vratomFlat števca vijaka z nizkim kvadratnim vratom
        • Flat števca vijaka z nizkim kvadratnim vratomFlat števca vijaka z nizkim kvadratnim vratom

        Flat števca vijaka z nizkim kvadratnim vratom

        Ravni vijak z nizkim kvadratnim vratom, ki ga proizvaja Xiaoguo®, je močan in trpežen. Naša kakovost izdelka je zagotovljena. Vijake lahko prilagodimo glede na vaše posebne potrebe. Zagotoviti morate le risbe izdelkov ali dimenzije in materiale izdelkov itd.
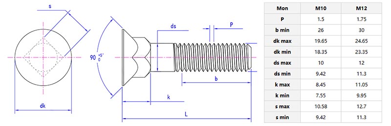
        Model:DIN 608-1981

        Pošlji povpraševanje

        Opis izdelka

        GlavaFlat števca vijaka z nizkim kvadratnim vratomje ravna in je lahko v celoti vdelana v material, da postane površina ravno. Del kvadratnega vratu je razmeroma nizek, približno polovica višine običajnega kvadratnega vratu in je vstavljen v kvadratne luknje materiala, da se prepreči vrtenje.

        Flat countersunk low square neck bolt

        Podrobnosti o izdelku

        Vijak se lahko uporablja za pritrditev lesenih palub na ladjah. Uporabite jih lahko za pritrditev tikovine na jekleni okvir, pri čemer je glava v celoti vgrajena v les, da se prepreči spopadanje. Vijak je zaklenjen v luknjo za jekleno okvir, da prepreči vrtenje, ko se zategne pod palubo. To lahko prepreči poškodovanje dragega lesa in ustvari gladko in varno sprehajalno površino, ki ne bo ujela vrvi.


        TheFlat števca vijaka z nizkim kvadratnim vratomlahko pritrdite težke kamnite plošče za kovinske okvirje. Vijake je mogoče v celoti vgraditi v vnaprej izrezane kamnite utore in popolnoma skriti. Kvadratne vijake v vratu lahko vstavite v utore okvirja. To ne samo da lahko nosi težo kamna, ampak tudi ohranja videz čist in se ne bo zrahljalo zaradi dolgoročnega gibanja stavbe.

        Parametri izdelka


        Flat countersunk low square neck bolt

        Funkcija izdelka

        TheFlat števca vijaka z nizkim kvadratnim vratomje krajši od navadnega kvadratnega vratu in je primeren za uporabo na tankih materialih. Na primer, ko namestite distribucijsko škatlo iz tankih kovinskih listov, lahko nizko kvadratno vratu vstavite v kvadratne luknje lista, za razliko od navadnega kvadratnega vratu, ki lahko prodre v list in vpliva na ožičenje na zadnji strani. Pri namestitvi notranjega dela avtomobila lahko prihranijo prostor.


        Hot Tags: Flat ContartUnk z nizkim kvadratnim vratom, Kitajska, proizvajalec, dobavitelj, tovarna
        Povezana kategorija
        Pošlji povpraševanje
        Prosimo, oddajte svoje povpraševanje v spodnjem obrazcu. Odgovorili vam bomo v 24 urah.
        X
        Piškotke uporabljamo, da vam ponudimo boljšo izkušnjo brskanja, analiziramo promet na spletnem mestu in prilagodimo vsebino. Z uporabo te strani se strinjate z našo uporabo piškotkov. Politika zasebnosti
        Zavrni Sprejmi