Oreščke za tesnjenje iz karbonskega jekla so vrsta pritrdilnih elementov, ki se uporablja za priključitev tankih plošč ali pločevin. Izdelani so iz ogljikovega jekla, kaljeni in ugasnili, da povečajo trdoto, površina pa je pocinkana ali kako drugače narejena proti koroziji.
Tesnilna matica je precej preprosta, lahko uporabite standardna pnevmatska ali hidravlična orodja za klinčevanje. Takole deluje: najprej vstavite matico v vnaprej razbito luknjo, nato pa uporabite nastavitev udarca in matrice, da pritiskate. Umrla pritisnete pločevino okoli ovratnika ovratnika matice in v enem hitrem koraku tvori trdno mehansko ključavnico.
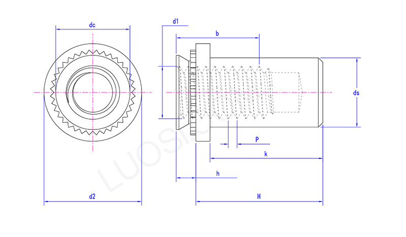
| Pon | M3-1 | M3-2 | M4-1 | M4-2 | M5-1 | M5-2 | M6-1 | M6-2 |
| P | 0.5 | 0.5 | 0.7 | 0.7 | 0.8 | 0.8 | 1 | 1 |
| ds max | 3.84 | 3.84 | 5.2 | 5.2 | 6.35 | 6.35 | 8.75 | 8.75 |
| DC max | 4.2 | 4.2 | 5.38 | 5.38 | 6.33 | 6.33 | 8.73 | 8.73 |
| B min | 5.3 | 5.3 | 7.1 | 7.1 | 7.1 | 7.1 | 7.8 | 7.8 |
| H max | 0.91 | 1.38 | 0.97 | 1.38 | 0.97 | 1.38 | 1.38 | 1.38 |
| H max | 9.85 | 9.85 | 11.45 | 11.45 | 11.45 | 11.45 | 14.55 | 14.55 |
| H min | 9.35 | 9.35 | 10.95 | 10.95 | 10.95 | 10.95 | 14.05 | 14.05 |
| k max | 8.5 | 8.5 | 9.8 | 9.8 | 9.8 | 9.8 | 12.7 | 12.7 |
| d2 max | 6.6 | 6.6 | 8.2 | 8.2 | 9 | 9 | 11.35 | 11.35 |
| D2 min | 6.1 | 6.1 | 7.7 | 7.7 | 8.5 | 8.5 | 10.85 | 10.85 |
| d1 | M3 | M3 | M4 | M4 | M5 | M5 | M6 | M6 |
Oreščke za tesnjenje iz karbonskega jekla so opredeljene s ključnimi meritvami: velikost niti (kot so M4, M5, M6 ali 1/4 "-20), premer ovratnika, skupna višina, dimenzije tesnilne pralne tesnjenja in območje debeline pločevine, s katerimi delajo (tako min kot max). Lahko jih dobite v standardnih metričnih ali cesarskih nitih.
Njihova moč (kako dobro se upirajo, da se odrinejo ali zasukajo) je testirana glede na industrijske standarde (pomislite na ISO, DIN, IFI). Izbiranje prave velikosti je velika stvar, poskrbi, da se pečat drži in da je matica dovolj močna za delo.
Če želite namestiti oreščo za tesnjenje iz ogljikovega jekla, potrebujete specializirano orodje za klinčenje in matrico, ki natančno ustreza velikosti matice. Najprej vstavite matico v vnaprej luknjo v pločevinski kovini. Nato orodje uporabi nadzorovan tlak, zaradi česar se matica pilota in kunrl potopi v okoliško kovino. Ta postopek hladnega oblikovanja zaklene matico iz nerjavečega jekla na mestu za dobro in hkrati zatakne vgrajeno tesnilno podložko na plošči. Tako ustvarja tesnilo, ki je odporno na puščanje, zaradi česar so te oreščke edinstvene.
